
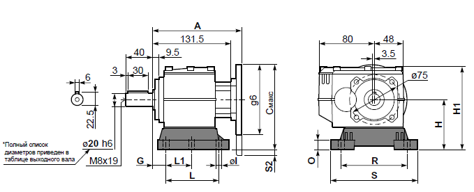
Габаритно-присоединительные размеры INNOVARI 302A |
| |
|
P302A

Тип лап |
Аналог |
G |
H |
R |
L |
L1 |
S |
H1 |
O |
øI |
S2 только для моторн.фланца |
Макс. фланец B5 |
Артикул |
B1 |
112 |
18 |
85 |
110 |
87 |
50 |
130 |
125 |
15 |
9 |
15 80/90B5 |
|
KC30.9.022 |
B2 |
212/3 |
18 |
100 |
130 |
107,5 |
60 |
155 |
145 |
5 |
11 |
3,5 80/90B5 |
|
KC30.9.023LM |
S1 |
17-32 |
18 |
75 |
110 |
110 |
50 |
130 |
115,5 |
15 |
9 |
5 71B5 |
71B5 |
KC30.9.024 |
S2 |
27 |
25 |
90 |
110 |
130 |
- |
130 |
135 |
5 |
9 |
|
71B5 |
KC30.9.025LM |
L3 |
03 |
12,5 |
65 |
91 |
60 |
- |
105 |
149 |
5 |
9 |
31,5 80/90B5 |
|
KC30.9.026LM |
L4 |
04 |
13 |
80 |
105 |
76 |
- |
132 |
165 |
5 |
9 |
16,5 80/90B5 |
|
KC30.9.027LM |
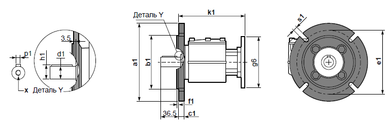
P302A-F

a1 ø |
b1 |
c1 |
e1 |
f1 |
s1 |
Артикул |
Комплектуется фланцем и лапами только по заказу. Совместимость уточняйте отдельно. |
120 |
80 |
11,5 |
100 |
3 |
9* |
KC30.9.010 |
140 |
95 |
11,5 |
115 |
3 |
9 |
KC30.9.011 |
160 |
110 |
11,5 |
130 |
3,5 |
9 |
KC30.9.012 |
200 |
130 |
11,5 |
165 |
3,5 |
11 |
KC40.9.013 |
P302A-N

Моторные фланцы B5 |
A |
Cмакс |
g6 |
k1 |
Артикул |
63 B5 |
151,7 |
170 |
140 |
155,2 |
K063.4.041 |
71 B5 |
152,2 |
180 |
160 |
155,7 |
K063.4.042 |
80/90 B5 |
151,2 |
200 |
200 |
154,7 |
K063.4.043 |
|
| |