
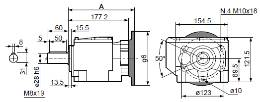
Габаритно-присоединительные размеры INNOVARI 452A |
| |
|
P452A

Тип лап |
Аналог |
G |
H |
R |
L |
S |
H1 |
O |
øI |
S2 только для моторн.фланца |
Макс. фланец B5 |
Артикул |
B3 |
312/3 |
18 |
110 |
160 |
130 |
190 |
162 |
20 |
11 |
15 100/112B5
40 132B5 |
- |
KC50.9.024 |
B4 |
30/35 |
20 |
130 |
180 |
149,5 |
216 |
182 |
18 |
14 |
20 132B5 |
- |
KC60.9.024 |
S4 |
47-57 |
30 |
115 |
135 |
165 |
170 |
167 |
24 |
13,5 |
- |
80/90B5 |
KC50.9.022 |
H3 |
023-233 |
30 |
130 |
135 |
135 |
185 |
231,5 |
25 |
14 |
20 132B5 |
- |
KC50.9.025 |
M2 |
52/3 |
30 |
110 |
135÷150 |
100 |
190 |
162 |
18 |
11 |
15 100/112B5
40 132B5 |
- |
KC50.9.023 |
L6 |
06 |
19 |
125 |
160 |
106 |
205 |
177 |
8 |
14 |
25 132B5 |
- |
KC50.9.026LM |
E2 |
2202/3 |
13 |
100 |
135 |
192 |
164 |
152 |
6 |
14 |
- |
71B5 |
KC50.9.027LM |
P4 |
142 |
35 |
142 |
130 |
145 |
160 |
194 |
8 |
14 |
8 132B5 |
- |
KC50.9.028LM |
P452A-F

a1 ø |
b1 |
c1 |
e1 |
f1 |
s1 |
Артикул |
Комплектуется фланцем и лапами только по заказу. Совместимость уточняйте отдельно. |
160 |
110 |
14 |
130 |
3,5 |
9 |
KC50.9.011 |
200 |
130 |
13 |
165 |
3,5 |
11 |
KC50.9.012 |
250 |
180 |
15,5 |
215 |
4 |
14 |
KC50.9.013 |
P452A-N

Моторные фланцы B5 |
A |
Cmax |
g6 |
k1 |
Артикул |
k1 для KC50.9.011 |
71 B5 |
195.7 |
222 |
160 |
198.2 |
KC023.4.041 |
204.2 |
80/90 B5 |
197.7 |
242 |
200 |
200.2 |
KC023.4.042 |
206.2 |
100/112 B5 |
203.7 |
267 |
250 |
206.2 |
KC023.4.043 |
212.2 |
132 B5 |
225.2 |
292 |
300 |
227.7 |
KC50.4.043 |
233.7 |
Моторные фланцы B14 |
A |
Cмакс |
g6 |
k1 |
Артикул |
k1 для KC50.9.011 |
80 B14 |
195,7 |
202 |
120 |
198,2 |
KC085.4.046 |
204,2 |
90 B14 |
195,7 |
212 |
140 |
198,2 |
KC085.4.045 |
204,2 |
100/112 B14 |
206,7 |
222 |
160 |
209,2 |
KC085.4.047 |
215,2 |
132 B14 |
225,2 |
242 |
200 |
227,7 |
KC50.4.041 |
233,7 |
|
| |