
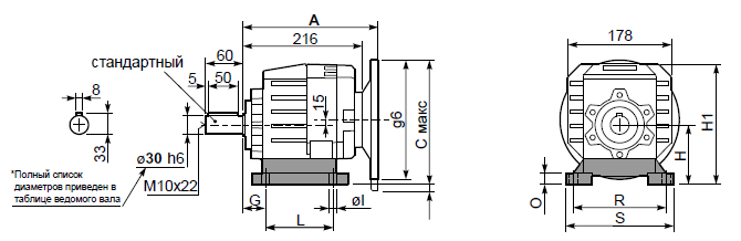
Габаритно-присоединительные размеры INNOVARI 503A |
| |
|
P503A

Тип лап |
Аналог |
G |
H |
R |
L |
S |
H1 |
O |
øI |
S2 только для моторн.фланца |
Макс. фланец B5 |
Артикул |
B3 |
312/3 |
18 |
110 |
160 |
130 |
190 |
211,5 |
20 |
11 |
- |
- |
KC50.9.024 |
B4 |
30/35 |
20 |
130 |
180 |
149,5 |
216 |
231,5 |
18 |
14 |
- |
- |
KC60.9.024 |
S4 |
47-57 |
30 |
115 |
135 |
165 |
170 |
216,5 |
24 |
13.5 |
- |
- |
KC50.9.022 |
H3 |
023-233 |
30 |
130 |
135 |
135 |
185 |
231,5 |
25 |
14 |
- |
- |
KC50.9.025 |
M2 |
52/3 |
30 |
110 |
135÷150 |
100 |
190 |
226,5 |
18 |
11 |
- |
- |
KC50.9.023 |
L6 |
06 |
19 |
125 |
160 |
106 |
205 |
201,5 |
8 |
14 |
- |
- |
KC50.9.026LM |
E2 |
2202/3 |
13 |
100 |
135 |
192 |
164 |
201,5 |
6 |
14 |
- |
- |
KC50.9.027LM |
P4 |
142 |
35 |
142 |
130 |
145 |
160 |
243,5 |
8 |
14 |
- |
- |
KC50.9.028LM |
P503A-F

a1 ø |
b1 |
c1 |
e1 |
f1 |
s1 |
Артикул |
Комплектуется фланцем и лапами только по заказу. Совместимость уточняйте отдельно. |
160 |
110 |
14 |
130 |
3,5 |
9 |
KC50.9.011 |
200 |
130 |
13 |
165 |
3,5 |
11 |
KC50.9.012 |
250 |
180 |
15,5 |
215 |
4 |
14 |
KC50.9.013 |
P503A-N

Моторные фланцы B5 |
A |
Cмакс |
g6 |
k1 |
Артикул |
k1 для KC50.9.011 |
63 B5 |
236,5 |
227 |
140 |
239 |
K063.4.041 |
245 |
71 B5 |
234,5 |
237 |
160 |
237 |
K063.4.042 |
243 |
80/90 B5 |
236,5 |
257 |
200 |
239 |
K063.4.043 |
245 |
Моторные фланцы B14 |
A |
Cмакс |
g6 |
k1 |
Артикул |
k1 для KC50.9.011 |
71 B14 |
234,5 |
209,5 |
105 |
237 |
K063.4.047 |
243 |
80 B14 |
235,5 |
217 |
120 |
238 |
K063.4.046 |
244 |
90 B14 |
236,5 |
227 |
140 |
239 |
K063.4.041 |
245 |
|
| |