
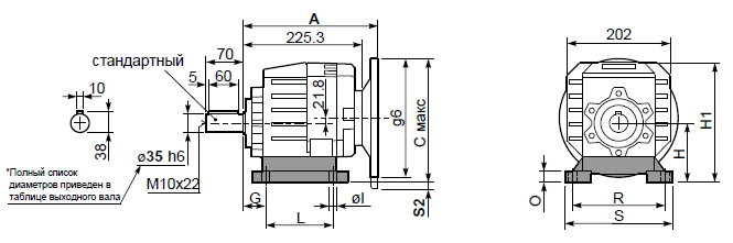
Габаритно-присоединительные размеры INNOVARI 602A |
| |
|
P602A

Тип лап |
Аналог |
G |
H |
R |
L |
S |
H1 |
O |
øI |
S2 только для моторн.фланца |
Макс. фланец B5 |
Артикул |
B4 |
412/3 |
20 |
130 |
180 |
149.5 |
216 |
233 |
18 |
14 |
- |
- |
KC60.9.024 |
S4 |
47-57 |
30 |
115 |
135 |
165 |
170 |
218 |
24 |
13.5 |
13 132B5 |
- |
KC50.9.022 |
B3 |
- |
20 |
110 |
160 |
130 |
190 |
213 |
20 |
11 |
- |
80B14 |
KC50.9.024 |
S7 |
77 |
35 |
140 |
170 |
205 |
204 |
243 |
8 |
14 |
- |
- |
KC60.9.029LM |
H4 |
024-243 |
35 |
155 |
170 |
150 |
225 |
258 |
30 |
14 |
- |
- |
KC60.9.025 |
L6 |
06 |
19 |
125 |
160 |
106 |
205 |
228 |
8 |
14 |
3 132B5 |
- |
KC50.9.026LM |
E3 |
2302/3 |
19.5 |
125 |
170 |
240 |
205 |
228 |
8 |
14 |
- |
100/112B5 |
KC60.9.026LM |
P6 |
162 |
40 |
162 |
160 |
205 |
200 |
265 |
8 |
14 |
- |
- |
KC60.9.027LM |
B5 |
352/3 |
23.5 |
115 |
170 |
130 |
205 |
218 |
8 |
14 |
13 132B5 |
- |
KC60.9.021LM |
P602A-F

a1 ø |
b1 |
c1 |
e1 |
f1 |
s1 |
Артикул |
Комплектуется фланцем и лапами только по заказу. Совместимость уточняйте отдельно. |
160 |
110 |
14 |
130 |
3,5 |
9 |
KC50.9.011 |
200 |
130 |
13 |
165 |
3,5 |
11 |
KC50.9.012 |
250 |
180 |
15,5 |
215 |
4 |
14 |
KC50.9.013 |
P602A-N

Моторные фланцы B5 |
A |
Cmax |
g6 |
k1 |
Артикул |
k1 для KC50.9.011 |
71 B5 |
243.8 |
263.8 |
160 |
246.3 |
KC023.4.041 |
252.3 |
80/90 B5 |
245.8 |
283.8 |
200 |
248.3 |
KC023.4.042 |
254.3 |
100/112 B5 |
251.8 |
308.8 |
250 |
254.3 |
KC023.4.043 |
260.3 |
132 B5 |
274 |
333.8 |
300 |
282 |
KC50.4.043 |
282.5 |
Моторные фланцы B14 |
A |
Cмакс |
g6 |
k1 |
Артикул |
k1 для KC50.9.011 |
80 B14 |
243,8 |
243,8 |
120 |
246,3 |
KC085.4.046 |
252,3 |
90 B14 |
243,8 |
253,8 |
140 |
246,3 |
KC085.4.045 |
252,3 |
100/112 B14 |
258,5 |
263,8 |
160 |
261 |
KC085.4.047 |
267 |
132 B14 |
279,5 |
283,8 |
200 |
282 |
KC50.4.041 |
288 |
|
| |