
Габаритные и присоединительные размеры мотор-редукторы Bonfiglioli A 30 |
| |
A 30...M
| ТИП |
|
M_FD M_FA |
M_FD |
M_FA |
AC |
H |
L |
LD |
AD |
Вес |
LF |
Вес |
R |
AD |
R |
AD |
A 30 2 |
S1 |
M1S |
138 |
177.5 |
464 |
201 |
108 |
20 |
527 |
23 |
103 |
132 |
124 |
108 |
A 30 2 |
S1 |
M1L |
138 |
177.5 |
488 |
201 |
108 |
22 |
549 |
24 |
103 |
132 |
124 |
108 |
A 30 2 |
S2 |
M2S |
156 |
186.5 |
517 |
213 |
119 |
25 |
587 |
29 |
129 |
143 |
134 |
119 |
A 30 2 |
S3 |
M3S |
195 |
206 |
560 |
223 |
142 |
30 |
656 |
38 |
160 |
155 |
160 |
142 |
A 30 2 |
S3 |
M3L |
195 |
206 |
592 |
223 |
142 |
38 |
683 |
45 |
160 |
155 |
160 |
142 |
A 30 3 |
S05 |
M05 |
121 |
169 |
516.5 |
— |
95 |
21 |
582.5 |
22 |
96 |
119 |
116 |
95 |
A 30 3 |
S1 |
M1S |
138 |
177.5 |
521.5 |
— |
108 |
21 |
584.5 |
24 |
103 |
132 |
124 |
108 |
A 30 3 |
S1 |
M1L |
138 |
177.5 |
545.5 |
— |
108 |
23 |
606.5 |
26 |
103 |
132 |
124 |
108 |
A 30 3 |
S2 |
M2S |
156 |
186.5 |
574.5 |
— |
119 |
25 |
644.5 |
29 |
129 |
143 |
134 |
119 |
A 30 3 |
S3 |
M3S |
195 |
206 |
617.5 |
— |
142 |
30 |
713.5 |
38 |
160 |
155 |
160 |
142 |
A 30 3 |
S3 |
M3L |
195 |
206 |
649.5 |
— |
142 |
38 |
740.5 |
45 |
160 |
155 |
160 |
142 |
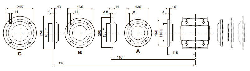
A 30...P(IEC)
ТИП
|
LD |
M |
M1 |
M2 |
N |
N1 |
N2 |
N3 |
N4 |
X |
P |
Вес |
A 30 2 |
P63 |
213 |
11 |
12.8 |
4 |
140 |
115 |
95 |
— |
M8x19 |
4 |
333 |
16 |
A 30 2 |
P71 |
213 |
14 |
16.3 |
5 |
160 |
130 |
110 |
— |
M8x16 |
4.5 |
333 |
16 |
A 30 2 |
P80 |
223 |
19 |
21.8 |
6 |
200 |
165 |
130 |
— |
M10x12 |
4 |
352.5 |
17 |
A 30 2 |
P90 |
223 |
24 |
27.3 |
8 |
200 |
165 |
130 |
— |
M10x12 |
4 |
352.5 |
17 |
A 30 2 |
P100 |
223 |
28 |
31.3 |
8 |
250 |
215 |
180 |
— |
M12x16 |
4.5 |
362.5 |
20 |
A 30 2 |
P112 |
223 |
28 |
31.3 |
8 |
250 |
215 |
180 |
— |
M12x16 |
4.5 |
362.5 |
20 |
A 30 3 |
P63 |
— |
11 |
12.8 |
4 |
140 |
115 |
95 |
— |
M8x19 |
4 |
390.5 |
17 |
A 30 3 |
P71 |
— |
14 |
16.3 |
5 |
160 |
130 |
110 |
— |
M8x16 |
4.5 |
390.5 |
17 |
A 30 3 |
P80 |
— |
19 |
21.8 |
6 |
200 |
165 |
130 |
— |
M10x12 |
4 |
410 |
18 |
A 30 3 |
P90 |
— |
24 |
27.3 |
8 |
200 |
165 |
130 |
— |
M10x12 |
4 |
410 |
18 |
A 30 3 |
P100 |
— |
28 |
31.3 |
8 |
250 |
215 |
180 |
— |
M12x16 |
4.5 |
420 |
22 |
A 30 3 |
P112 |
— |
28 |
31.3 |
8 |
250 |
215 |
180 |
— |
M12x16 |
4.5 |
420 |
22 |
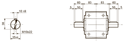
A 30...F...
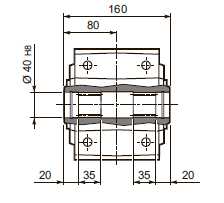
A 30...UR
A 30...UD
A 30...UH
A 30...US
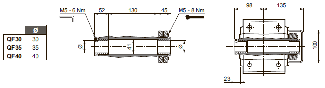
A 30...QF
A 30...UV
|
| |