
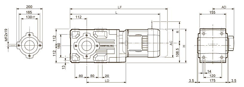
Габаритные и присоединительные размеры мотор-редукторы Bonfiglioli A 41 |
| |
A 41...M
| ТИП |
|
M_FD M_FA |
M_FD |
M_FA |
AC |
H |
L |
LD |
AD |
Вес |
LF |
Вес |
R |
AD |
R |
AD |
A 41 2 |
S1 |
M1S |
138 |
198.5 |
506 |
216.5 |
108 |
40 |
569 |
43 |
103 |
132 |
124 |
108 |
A 41 2 |
S1 |
M1L |
138 |
198.5 |
530 |
216.5 |
108 |
41 |
591 |
44 |
103 |
132 |
124 |
108 |
A 41 2 |
S2 |
M2S |
156 |
207.5 |
559 |
232 |
119 |
45 |
629 |
49 |
129 |
143 |
134 |
119 |
A 41 2 |
S3 |
M3S |
195 |
227 |
602 |
248 |
142 |
50 |
698 |
58 |
160 |
155 |
160 |
142 |
A 41 2 |
S3 |
M3L |
195 |
227 |
634 |
248 |
142 |
58 |
725 |
65 |
160 |
155 |
160 |
142 |
A 41 2 |
S4 |
M4 |
258 |
258.5 |
742 |
— |
193 |
92 |
851 |
110 |
226 |
193 |
217 |
193 |
A 41 3 |
S05 |
M05 |
121 |
245 |
562.5 |
— |
95 |
44 |
628.5 |
46 |
96 |
119 |
116 |
95 |
A 41 3 |
S1 |
M1S |
138 |
198.5 |
567.5 |
— |
108 |
45 |
630.5 |
48 |
103 |
132 |
124 |
108 |
A 41 3 |
S1 |
M1L |
138 |
198.5 |
591.5 |
— |
108 |
46 |
652.5 |
49 |
103 |
132 |
124 |
108 |
A 41 3 |
S2 |
M2S |
156 |
207.5 |
620.5 |
— |
119 |
50 |
690.5 |
58 |
129 |
143 |
134 |
119 |
A 41 3 |
S3 |
M3S |
195 |
227 |
663.5 |
— |
142 |
55 |
759.5 |
62 |
160 |
155 |
160 |
142 |
A 41 3 |
S3 |
M3L |
195 |
227 |
695.5 |
— |
142 |
61 |
786.5 |
68 |
160 |
155 |
160 |
142 |
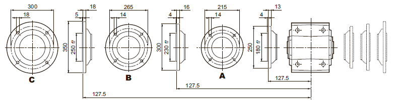
A 41...P(IEC)
ТИП
|
LD |
M |
M1 |
M2 |
N |
N1 |
N2 |
N3 |
N4 |
X |
P |
Вес |
A 41 2 |
P63 |
232 |
11 |
12.8 |
4 |
140 |
115 |
95 |
— |
M8x19 |
4 |
375 |
37 |
A 41 2 |
P71 |
232 |
14 |
16.3 |
5 |
160 |
130 |
110 |
— |
M8x16 |
4.5 |
375 |
38 |
A 41 2 |
P80 |
248 |
19 |
21.8 |
6 |
200 |
165 |
130 |
— |
M10x12 |
4 |
394.5 |
39 |
A 41 2 |
P90 |
248 |
24 |
27.3 |
8 |
200 |
165 |
130 |
— |
M10x12 |
4 |
394.5 |
39 |
A 41 2 |
P100 |
— |
28 |
31.3 |
8 |
250 |
215 |
180 |
— |
M12x16 |
4.5 |
404.5 |
43 |
A 41 2 |
P112 |
— |
28 |
31.3 |
8 |
250 |
215 |
180 |
— |
M12x16 |
4.5 |
404.5 |
43 |
A 41 2 |
P132 |
— |
38 |
41.3 |
10 |
300 |
265 |
230 |
16 |
14 |
5 |
441 |
46 |
A 41 3 |
P63 |
— |
11 |
12.8 |
4 |
140 |
115 |
95 |
— |
M8x19 |
4 |
436.5 |
39 |
A 41 3 |
P71 |
— |
14 |
16.3 |
5 |
160 |
130 |
110 |
— |
M8x16 |
4.5 |
436.5 |
39 |
A 41 3 |
P80 |
— |
19 |
21.8 |
6 |
200 |
165 |
130 |
— |
M10x12 |
4 |
456 |
40 |
A 41 3 |
P90 |
— |
24 |
27.3 |
8 |
200 |
165 |
130 |
— |
M10x12 |
4 |
456 |
40 |
A 41 3 |
P100 |
— |
28 |
31.3 |
8 |
250 |
215 |
180 |
— |
M12x16 |
4.5 |
466 |
44 |
A 41 3 |
P112 |
— |
28 |
31.3 |
8 |
250 |
215 |
180 |
— |
M12x16 |
4.5 |
466 |
44 |
A 41...F...
A 41...UR
A 41...UD
A 41...UH
A 41...US
A 41...QF
A 41...UV
|
| |