
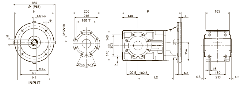
Габаритные и присоединительные размеры мотор-редукторы Bonfiglioli A 50 |
| |
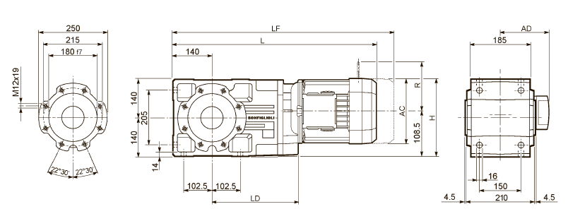
A 50...M
ТИП
|
|
M_FD M_FA |
M_FD |
M_FA |
AC |
H |
L |
LD |
AD |
Вес |
LF |
Вес |
R |
AD |
R |
AD |
A 50 2/3 |
S1 |
M1S |
138 |
223 |
585.5 |
— |
108 |
65 |
648.5 |
67 |
103 |
132 |
124 |
108 |
A 50 2/3 |
S1 |
M1L |
138 |
223 |
609.5 |
— |
108 |
66 |
670.5 |
69 |
103 |
132 |
124 |
108 |
A 50 2/3 |
S2 |
M2S |
156 |
232 |
638.5 |
284.5 |
119 |
68 |
708.5 |
72 |
129 |
143 |
134 |
119 |
A 50 2/3 |
S3 |
M3S |
195 |
251.5 |
681.5 |
299.5 |
142 |
73 |
777.5 |
81 |
160 |
155 |
160 |
142 |
A 50 2/3 |
S3 |
M3L |
195 |
251.5 |
713.5 |
299.5 |
142 |
81 |
804.5 |
88 |
160 |
155 |
160 |
142 |
A 50 2/3 |
S4 |
M4 |
258 |
283 |
821.5 |
284.5 |
193 |
115 |
930.5 |
133 |
226 |
193 |
217 |
193 |
A 50 2/3 |
S4 |
M4LC |
258 |
283 |
856.5 |
284.5 |
193 |
123 |
955.5 |
141 |
226 |
193 |
217 |
193 |
A 50 4 |
S1 |
M1S |
138 |
223 |
657 |
— |
108 |
66 |
720 |
68 |
103 |
132 |
124 |
108 |
A 50 4 |
S1 |
M1L |
138 |
223 |
681 |
— |
108 |
67 |
742 |
70 |
103 |
132 |
124 |
108 |
A 50 4 |
S2 |
M2S |
156 |
232 |
710 |
— |
119 |
71 |
780 |
75 |
129 |
143 |
134 |
119 |
A 50 4 |
S3 |
M3S |
195 |
251.5 |
753 |
— |
142 |
76 |
849 |
76 |
160 |
155 |
160 |
142 |
A 50 4 |
S3 |
M3L |
195 |
251.5 |
785 |
— |
142 |
83 |
876 |
78 |
160 |
155 |
160 |
142 |
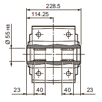
A 50...P(IEC)
ТИП
|
LD |
M |
M1 |
M2 |
N |
N1 |
N2 |
N3 |
N4 |
X |
P |
Вес |
A 50 2/3 |
P63 |
284.5 |
11 |
12.8 |
4 |
140 |
115 |
95 |
— |
M8x19 |
4 |
454.5 |
60 |
A 50 2/3 |
P71 |
284.5 |
14 |
16.3 |
5 |
160 |
130 |
110 |
— |
M8x16 |
4.5 |
454.5 |
60 |
A 50 2/3 |
P80 |
299.5 |
19 |
21.8 |
6 |
200 |
165 |
130 |
— |
M10x12 |
4 |
474 |
61 |
A 50 2/3 |
P90 |
299.5 |
24 |
27.3 |
8 |
200 |
165 |
130 |
— |
M10x12 |
4 |
474 |
61 |
A 50 2/3 |
P100 |
284.5 |
28 |
31.3 |
8 |
250 |
215 |
180 |
— |
M12x16 |
4.5 |
484 |
65 |
A 50 2/3 |
P112 |
284.5 |
28 |
31.3 |
8 |
250 |
215 |
180 |
— |
M12x16 |
4.5 |
484 |
65 |
A 50 2/3 |
P132 |
284.5 |
38 |
41.3 |
10 |
300 |
265 |
230 |
16 |
14 |
5 |
520.5 |
68 |
A 50 2/3 |
P160 |
— |
42 |
45.3 |
12 |
350 |
300 |
250 |
23 |
18 |
5.5 |
571 |
72 |
A 50 2/3 |
P180 |
— |
48 |
51.8 |
14 |
350 |
300 |
250 |
23 |
18 |
5.5 |
571 |
72 |
A 50 4 |
P63 |
— |
11 |
12.8 |
4 |
140 |
115 |
95 |
— |
M8x19 |
4 |
526 |
62 |
A 50 4 |
P71 |
— |
14 |
16.3 |
5 |
160 |
130 |
110 |
— |
M8x16 |
4.5 |
526 |
62 |
A 50 4 |
P80 |
— |
19 |
21.8 |
6 |
200 |
165 |
130 |
— |
M10x12 |
4 |
545.5 |
63 |
A 50 4 |
P90 |
— |
24 |
27.3 |
8 |
200 |
165 |
130 |
— |
M10x12 |
4 |
545.5 |
63 |
A 50 4 |
P100 |
— |
28 |
31.3 |
8 |
250 |
215 |
180 |
— |
M12x16 |
4.5 |
555.5 |
67 |
A 50 4 |
P112 |
— |
28 |
31.3 |
8 |
250 |
215 |
180 |
— |
M12x16 |
4.5 |
555.5 |
67 |
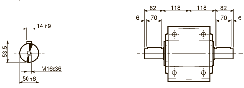
A 50...F...
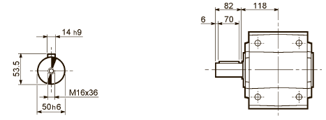
A 50...UR
A 50...UD
A 50...UH
A 50...US
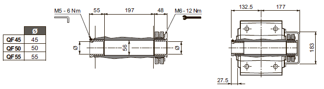
A 50...QF
A 50...UV
|
| |