
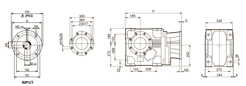
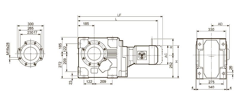
Габаритные и присоединительные размеры мотор-редукторы Bonfiglioli A 80 |
| |
A 80...M
ТИП
|
|
M_FD M_FA |
M_FD |
M_FA |
AC |
H |
L |
AD |
Вес |
LF |
Вес |
R |
AD |
R |
AD |
A 80 3 |
S3 |
M3S |
195 |
349.5 |
809.5 |
142 |
256 |
905.5 |
264 |
160 |
155 |
160 |
142 |
A 80 3 |
S3 |
M3L |
195 |
349.5 |
841.5 |
142 |
264 |
932.5 |
271 |
160 |
155 |
160 |
142 |
A 80 3 |
S4 |
M4 |
258 |
381 |
949.5 |
193 |
298 |
1058.5 |
316 |
226 |
193 |
217 |
193 |
A 80 3 |
S4 |
M4LC |
258 |
381 |
984.5 |
193 |
306 |
1083.5 |
324 |
226 |
193 |
217 |
193 |
A 80 3 |
S5 |
M5S |
310 |
407 |
1036 |
245 |
326 |
1176 |
356 |
266 |
245 |
247 |
245 |
A 80 3 |
S5 |
M5L |
310 |
407 |
1080 |
245 |
342 |
1220 |
372 |
266 |
245 |
247 |
245 |
A 80 4 |
S1 |
M1S |
138 |
321 |
776.5 |
108 |
245 |
839.5 |
247 |
103 |
132 |
124 |
108 |
A 80 4 |
S1 |
M1L |
138 |
321 |
800.5 |
108 |
246 |
861.5 |
249 |
103 |
132 |
124 |
108 |
A 80 4 |
S2 |
M2S |
156 |
330 |
829.5 |
119 |
250 |
899.5 |
254 |
129 |
143 |
134 |
119 |
A 80 4 |
S3 |
M3S |
195 |
349.5 |
872.5 |
142 |
255 |
968.5 |
262 |
160 |
155 |
160 |
142 |
A 80 4 |
S3 |
M3L |
195 |
349.5 |
904.5 |
142 |
262 |
995.5 |
269 |
160 |
155 |
160 |
142 |
A 80 4 |
S4 |
M4 |
258 |
381 |
1012.5 |
193 |
296 |
1121.5 |
314 |
226 |
193 |
217 |
193 |
A 80...P(IEC)
| ТИП |
M |
M1 |
M2 |
N |
N1 |
N2 |
N3 |
N4 |
X |
P |
Вес |
A 80 3 |
P80 |
19 |
21.8 |
6 |
200 |
165 |
130 |
— |
M10x12 |
4 |
602 |
243 |
A 80 3 |
P90 |
24 |
27.3 |
8 |
200 |
165 |
130 |
— |
M10x12 |
4 |
602 |
243 |
A 80 3 |
P100 |
28 |
31.3 |
8 |
250 |
215 |
180 |
— |
M12x16 |
4.5 |
612 |
245 |
A 80 3 |
P112 |
28 |
31.3 |
8 |
250 |
215 |
180 |
— |
M12x16 |
4.5 |
612 |
245 |
A 80 3 |
P132 |
38 |
41.3 |
10 |
300 |
265 |
230 |
16 |
14 |
5 |
648.5 |
253 |
A 80 3 |
P160 |
42 |
45.3 |
12 |
350 |
300 |
250 |
23 |
18 |
6 |
704 |
268 |
A 80 3 |
P180 |
48 |
51.8 |
14 |
350 |
300 |
250 |
23 |
18 |
6 |
704 |
268 |
A 80 3 |
P200 |
55 |
59.3 |
16 |
400 |
350 |
300 |
— |
M16x25 |
7 |
729 |
279 |
A 80 3 |
P225 |
60 |
64.4 |
18 |
450 |
400 |
350 |
25 |
18 |
6 |
774.5 |
298 |
A 80 4 |
P63 |
11 |
12.8 |
4 |
140 |
115 |
95 |
— |
M8x19 |
4 |
645.5 |
248 |
A 80 4 |
P71 |
14 |
16.3 |
5 |
160 |
130 |
110 |
— |
M8x16 |
4.5 |
645.5 |
248 |
A 80 4 |
P80 |
19 |
21.8 |
6 |
200 |
165 |
130 |
— |
M10x12 |
4 |
665 |
249 |
A 80 4 |
P90 |
24 |
27.3 |
8 |
200 |
165 |
130 |
— |
M10x12 |
4 |
665 |
249 |
A 80 4 |
P100 |
28 |
31.3 |
8 |
250 |
215 |
180 |
— |
M12x16 |
4.5 |
675 |
250 |
A 80 4 |
P112 |
28 |
31.3 |
8 |
250 |
215 |
180 |
— |
M12x16 |
4.5 |
675 |
250 |
A 80 4 |
P132 |
38 |
41.3 |
10 |
300 |
265 |
230 |
16 |
M12x16 |
5 |
711.5 |
259 |
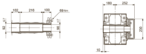
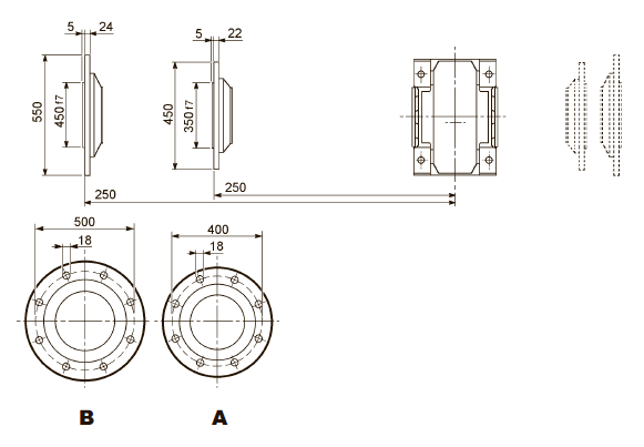
A 80...F...
A 80...UR
A 80...UD
A 80...UH
A 80...US
|
| |