|
Вариант исполнения с литым моментным рычагом

Тип |
а |
b |
c |
d |
l
|
Исполнение с тормозом |
iв |
ЕОО3 |
ЕОО4 |
ЕОО8 |
Z008 |
Z015 |
|
СВ |
dв |
СВ |
dв |
СВ |
dв |
СВ |
dв |
СВ |
dв |
|
|
BF10Z-../004.. |
143 |
86 |
111 |
350 |
90 |
90 |
111 |
393 |
|
|
|
|
|
|
|
|
|
|
BF10-../005.. |
170 |
62 |
123 |
354 |
100 |
100 |
123 |
396 |
|
|
|
|
|
|
|
|
|
|
BF10Z-../005.. |
170 |
88 |
123 |
380 |
100 |
100 |
123 |
422 |
|
|
|
|
|
|
|
|
|
|
BF10-../006.. |
170 |
62 |
123 |
354 |
100 |
100 |
123 |
396 |
|
|
|
|
|
|
|
|
|
|
BF10Z-../006.. |
170 |
88 |
123 |
380 |
100 |
100 |
123 |
422 |
|
|
|
|
|
|
|
|
|
|
BF10-../D07.. |
190 |
62 |
123 |
374 |
100 |
100 |
123 |
416 |
123 |
416 |
|
|
|
|
|
|
|
|
BF10Z-../D07.. |
190 |
88 |
123 |
400 |
100 |
100 |
123 |
442 |
123 |
442 |
|
|
|
|
|
|
|
|
BF10-../008.. |
200 |
66 |
156 |
387 |
115 |
115 |
|
|
|
|
166 |
462 |
|
|
|
|
|
|
BF10Z-../008.. |
200 |
132 |
156 |
448 |
115 |
115 |
|
|
|
|
166 |
528 |
|
|
|
|
|
|
BF10-../009.. |
251 |
80.5 |
181 |
453 |
124 |
124 |
|
|
|
|
192 |
532 |
192 |
546 |
192 |
552 |
|
|
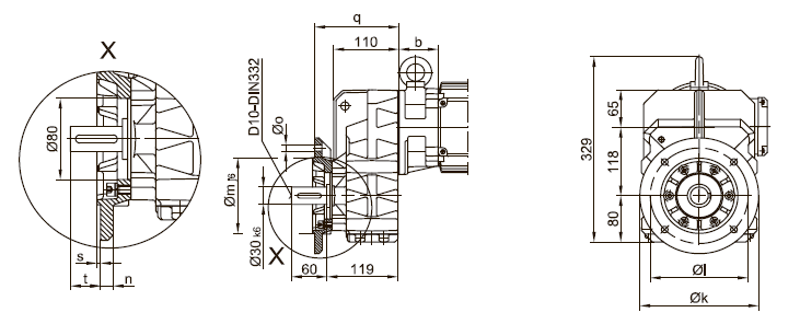
Фланец с резьбовыми отверстиями

Фланец со сквозными отверстиями

BF10(Z) |
k |
l
|
m |
n |
о |
q |
s |
t
|
стандартный -3./ |
200 |
165 |
130 |
12 |
11 |
142 |
3.5 |
39 |
малый -2./ |
160 |
130 |
110 |
10 |
9 |
135 |
3.5 |
46 |
Лапы с резьбовыми отверстиями слева и справа

Вы можете подобрать мотор-редуктор российского и зарубежного производства на нашем интернет-ресурсе. На каждую позицию представлено подробное описание с техническими параметрами и присоединительными размерами.
|