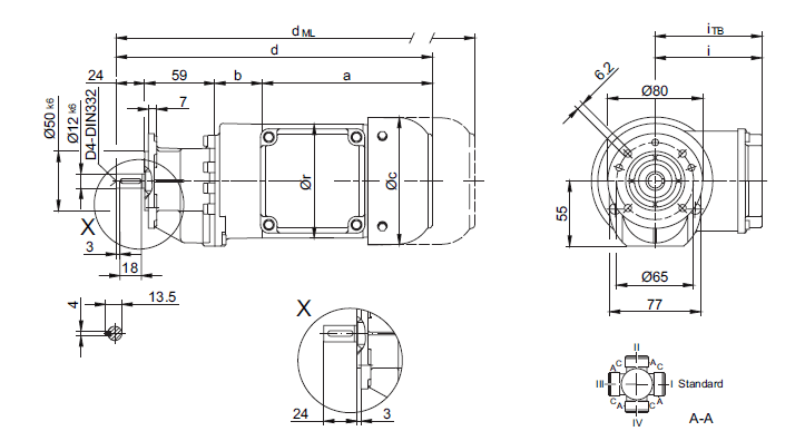
Габаритно-присоединительные размеры BG04

 

Назад

 

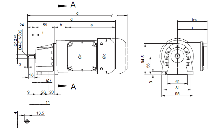
Вариант исполнения на лапах

Вариант исполнения на лапах BG04

Фланец со сквозными отверстиями

Фланец со сквозными отверстиями


Тип


a


b


c


d


i


r

Варианты исполнения с навесными устройствами электродвигателя

i

E..

G

E...-G

RR/RL

dML

dML

dML

dML

BG04-../D04..

143

40

111

266

90

96

124,5

309.5

328.5

372

-

Назад

 
© 2014 Редукторы, мотор-редукторы, устройства плавного пуска, преобразователи частоты