
Габаритно-присоединительные размеры BG06 |
| |
|
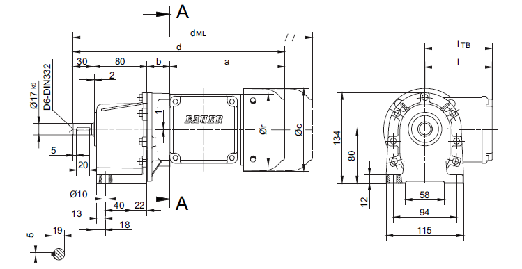
Вариант исполнения на лапах

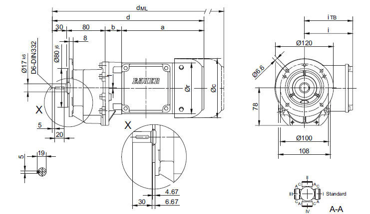
Фланец со сквозными отверстиями

Тип |
a |
b |
c |
d |
i |
r |
|
| iTB |
E../ES.. |
G |
|
RR/RL |
dML |
dML |
dML |
dML |
BG06-../D04.. |
143 |
32 |
111 |
285 |
90 |
96 |
124,5 |
328.5 |
347.5 |
390.5 |
- |
BG06-../D05.. |
170 |
34 |
123 |
315 |
100 |
106 |
129,5 |
357 |
407.5 |
459.5 |
- |
BG06-../D06.. |
170 |
34 |
123 |
315 |
100 |
121 |
131,5 |
357 |
407.5 |
459.5 |
- |
BG06-../D07.. |
190 |
34 |
123 |
335 |
100 |
121 |
131,5 |
377 |
427.5 |
479.5 |
- |
BG06-../D..08.. |
200 |
78 |
156 |
388 |
115 |
156 |
149,5 |
454 |
495.5 |
561.5 |
454 |
|
| |