|
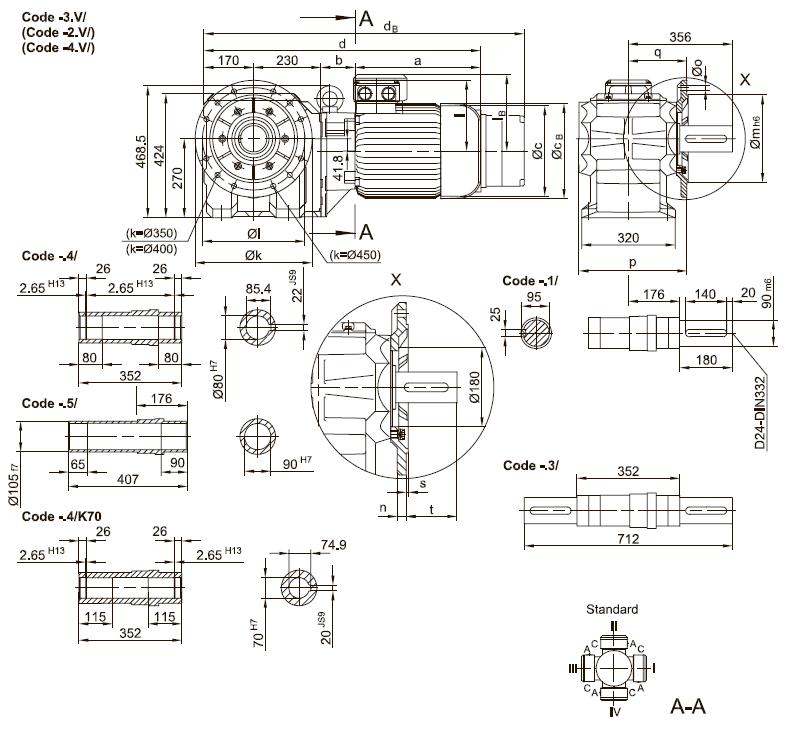
Фланец со сквозными отверстиями

BK70(Z) |
k |
l |
m |
n |
о |
р |
q |
s |
t
|
стандартный -3.V/ |
400 |
350 |
300 |
20 |
4 х 17.5 |
369 |
200 |
5 |
156 |
малый -2.V/ |
350 |
300 |
250 |
20 |
4 х 17.5 |
369 |
200 |
5 |
156 |
большой -4.V/ |
450 |
400 |
350 |
22 |
8 х 17.5 |
379 |
210 |
5 |
146 |
Тип |
a |
b |
c |
d |
l
|
Исполнение с тормозом |
lв |
Е008 |
Z008 |
Z015 |
Е075 |
Z075 |
Z100 |
Е500 |
св |
dв |
св |
dв |
св |
<iв |
св |
dв |
св |
dв |
св |
dв |
св |
dв |
BK70Z-../D08.. |
200 |
202 |
156 |
802 |
115 |
115 |
166 |
877 |
|
|
|
|
|
|
|
|
|
|
|
|
BK70-../D09.. |
251 |
83.5 |
181 |
734 |
124 |
124 |
192 |
814 |
192 |
828 |
192 |
834 |
|
|
|
|
|
|
|
|
BK70Z-../D09.. |
251 |
216.5 |
181 |
867 |
124 |
124 |
192 |
947 |
192 |
961 |
192 |
967 |
|
|
|
|
|
|
|
|
BK70-../D11.. |
319 |
90 |
228 |
809 |
181 |
181 |
|
|
|
|
231 |
912 |
231 |
942 |
|
|
|
|
|
|
BK70Z-../D11.. |
319 |
223 |
228 |
942 |
181 |
181 |
|
|
|
|
231 |
1045 |
231 |
1075 |
|
|
|
|
|
|
BK70-../D13.. |
393 |
103 |
266 |
896 |
217 |
217 |
|
|
|
|
|
|
277 |
1031 |
277 |
1050 |
|
|
|
|
BK70Z-../D13.. |
393 |
236 |
266 |
1029 |
217 |
217 |
|
|
|
|
|
|
277 |
1164 |
277 |
1183 |
|
|
|
|
BK70-../D16.. |
429 |
117 |
322 |
946 |
243 |
243 |
|
|
|
|
|
|
326 |
1079 |
326 |
1098 |
326 |
1118 |
|
|
BK70Z-../D16.. |
429 |
250 |
322 |
1079 |
243 |
243 |
|
|
|
|
|
|
326 |
1212 |
326 |
1231 |
326 |
1251 |
|
|
BK70-../D18.. |
528 |
139 |
368 |
1067 |
288 |
288 |
|
|
|
|
|
|
|
|
|
|
366 |
1247 |
366 |
1228 |
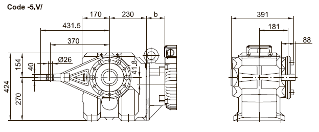
Исполнение с моментным рычагом

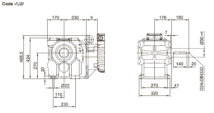
Фланец резьбовыми отверстиями впереди

Лапы с резьбовыми отверстиями внизу

Лапы со сквозными отверстиями внизу

|