|
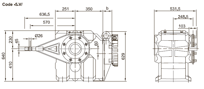
Фланец со сквозными отверстиями

BK90(Z) |
k |
l |
m |
n |
о |
р |
q |
s |
t
|
пандартный -3.V/ |
550 |
500 |
450 |
22 |
17.5 |
519 |
285 |
5 |
217 |
большой -4.V/ |
660 |
600 |
550 |
25 |
22 |
513 |
279 |
6 |
223 |
Тип |
a |
b |
c |
d |
l
|
Исполнение с тормозом |
lв |
Е008 |
Z008 |
Z015 |
Е075 |
|
св |
dв |
св |
dв |
св |
dв |
св |
dв |
|
|
BK90Z-../D09.. |
251 |
267 |
181 |
1119 |
124 |
124 |
192 |
1198 |
192 |
1212 |
192 |
1218 |
|
|
|
|
BK90Z-../D11.. |
319 |
273.5 |
228 |
1194 |
181 |
181 |
|
|
|
|
231 |
1296 |
231 |
1326 |
|
|
Тип |
a |
b |
c |
d |
l
|
lв |
Е075 |
Z075 |
Z100 |
Е500 |
|
св |
dв |
св |
dв |
св |
dв |
св |
dв |
|
|
BK90-../D13.. |
393 |
100 |
266 |
1094 |
217 |
217 |
277 |
1229 |
277 |
1248 |
|
|
|
|
|
|
BK90Z-../D13.. |
393 |
286.5 |
266 |
1281 |
217 |
217 |
277 |
1415 |
277 |
1435 |
|
|
|
|
|
|
BK90-../D16.. |
429 |
114 |
322 |
1144 |
243 |
243 |
326 |
1178 |
326 |
1296 |
326 |
1316 |
|
|
|
|
BK90Z-../D16.. |
429 |
300.5 |
322 |
1331 |
243 |
243 |
326 |
1463 |
326 |
1483 |
326 |
1502 |
|
|
|
|
BK90-../D18.. |
528 |
136 |
368 |
1265 |
288 |
288 |
|
|
|
|
366 |
1445 |
366 |
1426 |
|
|
BK90Z-../D18.. |
528 |
322.5 |
368 |
1451 |
288 |
288 |
|
|
|
|
366 |
1632 |
366 |
1622 |
|
|
BK90-..-C-DNF22S |
612 |
281 |
390 |
1494 |
314 |
|
|
|
|
|
|
|
|
|
|
|
BK90-..-C-DNF22M |
652 |
281 |
390 |
1534 |
314 |
|
|
|
|
|
|
|
|
|
|
|
Исполнение с моментным рычагом

Фланец резьбовыми отверстиями впереди

Лапы со сквозными отверстиями внизу

|