|
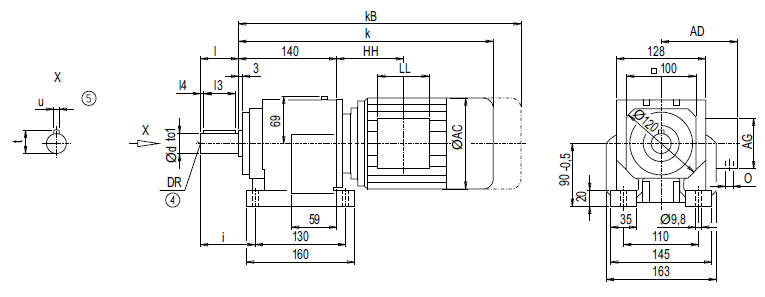
Монтажное исполнение на лапах D38, Z38

| d |
to1 |
l |
l4 |
l3 |
t |
u |
i |
DR |
25 *) |
k6 |
50 |
7 |
40 |
28 |
8 |
75 |
M10x22 |
30 |
k6 |
60 |
7 |
50 |
33 |
8 |
85 |
M10x22 |
| Мотор |
Z38
k |
kB |
D38
k |
kB |
AC |
AD |
AG |
LL |
Z38
HH |
D38
HH |
O |
Вес
Z38 |
D38 |
LA71 |
398.5 |
453.5 |
413.5 |
468.5 |
139.0 |
146 |
90 |
90 |
114.5 |
129.5 |
M20x1.5/M25x1.5 |
16 |
17 |
LA71Z |
417.5 |
472.5 |
432.5 |
487.5 |
139.0 |
146 |
90 |
90 |
114.5 |
129.5 |
M20x1.5/M25x1.5 |
16 |
17 |
LA80 |
435.5 |
499.0 |
450.5 |
514.0 |
156.5 |
155 |
90 |
90 |
114.0 |
129.0 |
M20x1.5/M25x1.5 |
21 |
22 |
LA80Z |
458.0 |
521.5 |
473.0 |
536.5 |
156.5 |
155 |
90 |
90 |
187.0 |
202.0 |
M20x1.5/M25x1.5 |
25 |
26 |
LA90S/L |
466.5 |
537.5 |
481.5 |
552.5 |
174.0 |
163 |
90 |
90 |
114.0 |
129.0 |
M20x1.5/M25x1.5 |
26 |
27 |
LA90ZL |
511.5 |
582.5 |
526.5 |
597.5 |
174.0 |
163 |
90 |
90 |
238.0 |
253.0 |
M20x1.5/M25x1.5 |
32 |
33 |
LA100L |
512.5 |
593.5 |
– |
– |
195.0 |
168 |
120 |
120 |
154.5 |
– |
2xM32x1.5 |
35 |
– |
LA100ZL |
582.5 |
663.5 |
– |
– |
195.0 |
168 |
120 |
120 |
286.5 |
– |
2xM32x1.5 |
45 |
– |
LA112M |
542.0 |
623.0 |
– |
– |
219.0 |
181 |
120 |
120 |
160.0 |
– |
2xM32x1.5 |
45 |
– |
LA112ZM |
570.0 |
651.0 |
– |
– |
219.0 |
181 |
120 |
120 |
264.0 |
– |
2xM32x1.5 |
52 |
– |
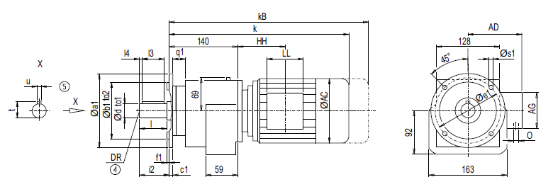
Монтажное исполнение на фланце DF/ZF38 (тип A)

| Фланец |
a1 |
b1 |
to2 |
c1 |
e1 |
f1 |
q1 |
s1 |
d |
to1 |
l |
l4 |
l3 |
t |
u |
i2 |
DR |
A120 |
120 |
80 |
j6 |
8 |
100 |
3.0 |
23 |
6.8 |
25 *) |
k6 |
50 |
7 |
40 |
28 |
8 |
50 |
M10x22 |
30 |
k6 |
60 |
7 |
50 |
33 |
8 |
60 |
M10x22 |
A140 |
140 |
95 |
j6 |
7 |
115 |
3.0 |
26 |
9.0 |
25 *) |
k6 |
50 |
7 |
40 |
28 |
8 |
50 |
M10x22 |
30 |
k6 |
60 |
7 |
50 |
33 |
8 |
60 |
M10x22 |
A160 |
160 |
110 |
j6 |
10 |
130 |
3.5 |
26 |
9.0 |
25 *) |
k6 |
50 |
7 |
40 |
28 |
8 |
50 |
M10x22 |
30 |
k6 |
60 |
7 |
50 |
33 |
8 |
60 |
M10x22 |
A200 1) |
200 |
130 |
j6 |
12 |
165 |
3.5 |
24 |
11.0 |
25 *) |
k6 |
50 |
7 |
40 |
28 |
8 |
50 |
M10x22 |
30 |
k6 |
60 |
7 |
50 |
33 |
8 |
60 |
M10x22 |
A250 |
250 |
180 |
j6 |
15 |
215 |
4.0 |
21 |
13.5 |
25 *) |
k6 |
50 |
7 |
40 |
28 |
8 |
50 |
M10x22 |
30 |
k6 |
60 |
7 |
50 |
33 |
8 |
60 |
M10x22 |
| Мотор |
ZF38
k |
kB |
DF38
k |
kB |
AC |
AD |
AG |
LL |
ZF38
HH |
DF38
HH |
O |
Вес
ZF38 |
DF38 |
LA71 |
398.5 |
453.5 |
413.5 |
468.5 |
139.0 |
146 |
90 |
90 |
114.5 |
129.5 |
M20x1.5/M25x1.5 |
17 |
18 |
LA71Z |
417.5 |
472.5 |
432.5 |
487.5 |
139.0 |
146 |
90 |
90 |
114.5 |
129.5 |
M20x1.5/M25x1.5 |
17 |
18 |
LA80 |
435.5 |
499.0 |
450.5 |
514.0 |
156.5 |
155 |
90 |
90 |
114.0 |
129.0 |
M20x1.5/M25x1.5 |
22 |
22 |
LA80Z |
458.0 |
521.5 |
473.0 |
536.5 |
156.5 |
155 |
90 |
90 |
187.0 |
202.0 |
M20x1.5/M25x1.5 |
26 |
26 |
LA90S/L |
466.5 |
537.5 |
481.5 |
552.5 |
174.0 |
163 |
90 |
90 |
114.0 |
129.0 |
M20x1.5/M25x1.5 |
26 |
27 |
LA90ZL |
511.5 |
582.5 |
526.5 |
597.5 |
174.0 |
163 |
90 |
90 |
238.0 |
253.0 |
M20x1.5/M25x1.5 |
32 |
33 |
LA100L |
512.5 |
593.5 |
– |
– |
195.0 |
168 |
120 |
120 |
154.5 |
– |
2xM32x1.5 |
35 |
– |
LA100ZL |
582.5 |
663.5 |
– |
– |
195.0 |
168 |
120 |
120 |
286.5 |
– |
2xM32x1.5 |
45 |
– |
LA112M |
542.0 |
623.0 |
– |
– |
219.0 |
181 |
120 |
120 |
160.0 |
– |
2xM32x1.5 |
46 |
– |
LA112ZM |
570.0 |
651.0 |
– |
– |
219.0 |
181 |
120 |
120 |
264.0 |
– |
2xM32x1.5 |
53 |
– |
|