|
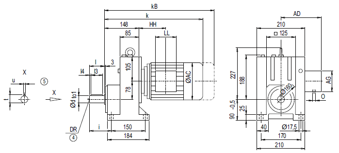
Монтажное исполнение на лапах E68

| d |
to1 |
l |
l4 |
l3 |
t |
u |
i |
DR |
30 *) |
k6 |
60 |
3.5 |
50 |
33 |
8 |
85 |
M10x22 |
40 |
k6 |
80 |
5 |
70 |
43 |
12 |
105 |
M16x36 |
| Мотор |
E68
k |
kB |
AC |
AD |
AG |
LL |
HH |
O |
Вес
E68 |
LA71 |
395.0 |
450.0 |
139.0 |
146 |
90 |
90 |
103.0 |
M20x1.5/M25x1.5 |
25 |
LA71Z |
414.0 |
469.0 |
139.0 |
146 |
90 |
90 |
103.0 |
M20x1.5/M25x1.5 |
25 |
LA80 |
432.0 |
495.5 |
156.5 |
155 |
90 |
90 |
102.5 |
M20x1.5/M25x1.5 |
30 |
LA80Z |
454.5 |
518.0 |
156.5 |
155 |
90 |
90 |
175.5 |
M20x1.5/M25x1.5 |
34 |
LA90S/L |
463.0 |
534.0 |
174.0 |
163 |
90 |
90 |
102.5 |
M20x1.5/M25x1.5 |
40 |
LA90ZL |
508.0 |
579.0 |
174.0 |
163 |
90 |
90 |
226.5 |
M20x1.5/M25x1.5 |
34 |
LA100L |
509.0 |
590.0 |
195.0 |
168 |
120 |
120 |
143.0 |
2xM32x1.5 |
44 |
LA100ZL |
579.0 |
660.0 |
195.0 |
168 |
120 |
120 |
275.0 |
2xM32x1.5 |
54 |
LA112M |
536.0 |
617.0 |
219.0 |
181 |
120 |
120 |
146.0 |
2xM32x1.5 |
55 |
LA112ZM |
564.0 |
645.0 |
219.0 |
181 |
120 |
120 |
250.0 |
2xM32x1.5 |
62 |
LA132S/M |
596.0 |
698.0 |
259.0 |
195 |
140 |
140 |
186.5 |
2xM32x1.5 |
68 |
LA132ZM |
642.0 |
744.0 |
259.0 |
195 |
140 |
140 |
294.5 |
2xM32x1.5 |
89 |
LA160M/L |
699.0 |
817.5 |
313.5 |
227 |
165 |
165 |
212.5 |
2xM40x1.5 |
101 |
LA160ZL |
747.0 |
865.5 |
313.5 |
227 |
165 |
165 |
365.5 |
2xM40x1.5 |
140 |
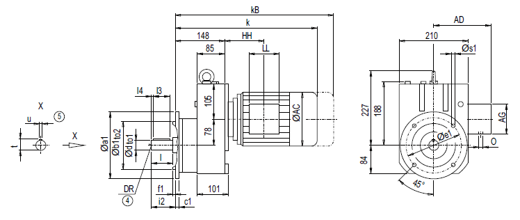
Монтажное исполнение на фланце EF38 (тип A)

| Фланец |
a1 |
b1 |
to2 |
c1 |
e1 |
f1 |
s1 |
d |
to1 |
l |
l4 |
l3 |
t |
u |
i2 |
DR |
A200 |
200 |
130 |
j6 |
12 |
165 |
3.5 |
11.0 |
30 *) |
k6 |
60 |
3.5 |
50 |
33 |
8 |
60 |
M10x22 |
40 |
k6 |
80 |
5 |
70 |
43 |
12 |
80 |
M16x36 |
A250 |
250 |
180 |
j6 |
15 |
215 |
4.0 |
13.5 |
30 *) |
k6 |
60 |
3.5 |
50 |
33 |
8 |
60 |
M10x22 |
40 |
k6 |
80 |
5 |
70 |
43 |
12 |
80 |
M16x36 |
A300 |
300 |
230 |
j6 |
16 |
265 |
4.0 |
13.5 |
30 *) |
k6 |
60 |
3.5 |
50 |
33 |
8 |
60 |
M10x22 |
40 |
k6 |
80 |
5 |
70 |
43 |
12 |
80 |
M16x36 |
| Мотор |
EF68
k |
kB |
AC |
AD |
AG |
LL |
HH |
O |
Вес
EF68 |
LA71 |
395.0 |
450.0 |
139.0 |
146 |
90 |
90 |
103.0 |
M20x1.5/M25x1.5 |
27 |
LA71Z |
414.0 |
469.0 |
139.0 |
146 |
90 |
90 |
103.0 |
M20x1.5/M25x1.5 |
27 |
LA80 |
432.0 |
495.5 |
156.5 |
155 |
90 |
90 |
102.5 |
M20x1.5/M25x1.5 |
32 |
LA80Z |
454.5 |
518.0 |
156.5 |
155 |
90 |
90 |
175.5 |
M20x1.5/M25x1.5 |
36 |
LA90S/L |
463.0 |
534.0 |
174.0 |
163 |
90 |
90 |
102.5 |
M20x1.5/M25x1.5 |
36 |
LA90ZL |
508.0 |
579.0 |
174.0 |
163 |
90 |
90 |
226.5 |
M20x1.5/M25x1.5 |
42 |
LA100L |
509.0 |
590.0 |
195.0 |
168 |
120 |
120 |
143.0 |
2xM32x1.5 |
46 |
LA100ZL |
579.0 |
660.0 |
195.0 |
168 |
120 |
120 |
275.0 |
2xM32x1.5 |
56 |
LA112M |
536.0 |
617.0 |
219.0 |
181 |
120 |
120 |
146.0 |
2xM32x1.5 |
57 |
LA112ZM |
564.0 |
645.0 |
219.0 |
181 |
120 |
120 |
250.0 |
2xM32x1.5 |
64 |
LA132S/M |
596.0 |
698.0 |
259.0 |
195 |
140 |
140 |
186.5 |
2xM32x1.5 |
70 |
LA132ZM |
642.0 |
744.0 |
259.0 |
195 |
140 |
140 |
294.5 |
2xM32x1.5 |
91 |
LA160M/L |
699.0 |
817.5 |
313.5 |
227 |
165 |
165 |
212.5 |
2xM40x1.5 |
103 |
LA160ZL |
747.0 |
865.5 |
313.5 |
227 |
165 |
165 |
365.5 |
2xM40x1.5 |
142 |
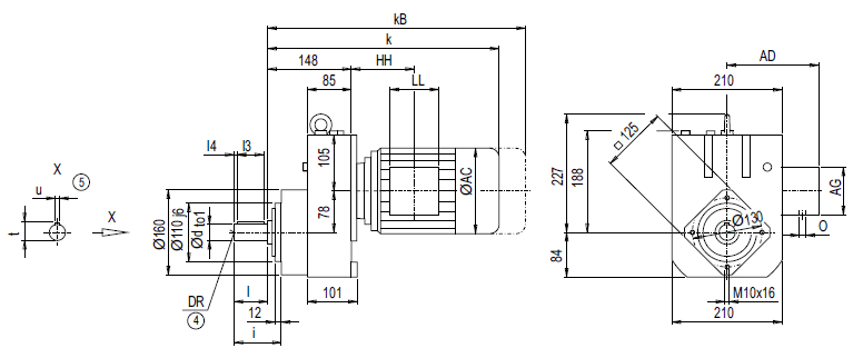
Монтажное исполнение с фланцевым корпусом (тип C) EZ68

| d |
to1 |
l |
l4 |
l3 |
t |
u |
i |
DR |
30 *) |
k6 |
60 |
3.5 |
50 |
33 |
8 |
77 |
M10x22 |
40 |
k6 |
80 |
5 |
70 |
43 |
12 |
97 |
M16x36 |
| Мотор |
EZ68
k |
kB |
AC |
AD |
AG |
LL |
HH |
O |
Вес
EZ68 |
LA71 |
395.0 |
450.0 |
139.0 |
146 |
90 |
90 |
103.0 |
M20x1.5/M25x1.5 |
22 |
LA71Z |
414.0 |
469.0 |
139.0 |
146 |
90 |
90 |
103.0 |
M20x1.5/M25x1.5 |
22 |
LA80 |
432.0 |
495.5 |
156.5 |
155 |
90 |
90 |
102.5 |
M20x1.5/M25x1.5 |
27 |
LA80Z |
454.5 |
518.0 |
156.5 |
155 |
90 |
90 |
175.5 |
M20x1.5/M25x1.5 |
31 |
LA90S/L |
463.0 |
534.0 |
174.0 |
163 |
90 |
90 |
102.5 |
M20x1.5/M25x1.5 |
32 |
LA90ZL |
508.0 |
579.0 |
174.0 |
163 |
90 |
90 |
226.5 |
M20x1.5/M25x1.5 |
38 |
LA100L |
509.0 |
590.0 |
195.0 |
168 |
120 |
120 |
143.0 |
2xM32x1.5 |
41 |
LA100ZL |
579.0 |
660.0 |
195.0 |
168 |
120 |
120 |
275.0 |
2xM32x1.5 |
51 |
LA112M |
536.0 |
617.0 |
219.0 |
181 |
120 |
120 |
146.0 |
2xM32x1.5 |
53 |
LA112ZM |
564.0 |
645.0 |
219.0 |
181 |
120 |
120 |
250.0 |
2xM32x1.5 |
60 |
LA132S/M |
596.0 |
698.0 |
259.0 |
195 |
140 |
140 |
186.5 |
2xM32x1.5 |
66 |
LA132ZM |
642.0 |
744.0 |
259.0 |
195 |
140 |
140 |
294.5 |
2xM32x1.5 |
87 |
LA160M/L |
699.0 |
817.5 |
313.5 |
227 |
165 |
165 |
212.5 |
2xM40x1.5 |
99 |
LA160ZL |
747.0 |
865.5 |
313.5 |
227 |
165 |
165 |
365.5 |
2xM40x1.5 |
138 |
|