|
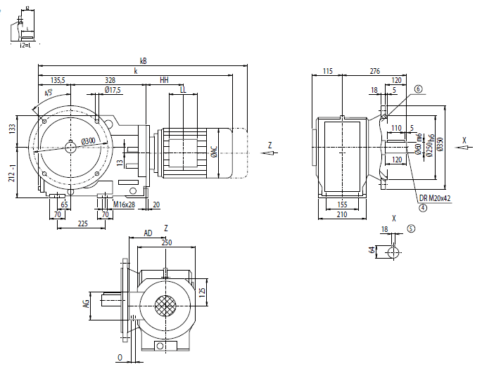
Монтажное исполнение фланец (тип-С)

| d |
to1 |
l |
l3 |
l4 |
t |
u |
i |
q |
DR |
60 *) |
m6 |
120 |
110 |
5 |
64 |
18 |
150 |
240 |
M20x42 |
80 |
m6 |
170 |
125 |
20 |
85 |
22 |
200 |
290 |
| Мотор |
K108
k |
kB |
AC |
AD |
AG |
LL |
HH |
O |
Вес
K108 |
LA80 |
729.0 |
792.5 |
156.5 |
155.0 |
90 |
90 |
87.5 |
M20x1.5/M25x1.5 |
133 |
LA80Z |
751.5 |
815.0 |
156.5 |
155.0 |
90 |
90 |
160.5 |
M20x1.5/M25x1.5 |
137 |
LA90S/L |
760.0 |
831.0 |
174.0 |
163.0 |
90 |
90 |
87.5 |
M20x1.5/M25x1.5 |
138 |
LA90ZL |
805.0 |
876.0 |
174.0 |
163.0 |
90 |
90 |
211.5 |
M20x1.5/M25x1.5 |
144 |
LA100L |
803.5 |
884.5 |
195.0 |
168.0 |
120 |
120 |
125.5 |
2xM32x1.5 |
146 |
LA100ZL |
873.5 |
954.5 |
195.0 |
168.0 |
120 |
120 |
257.5 |
2xM32x1.5 |
156 |
LA112M |
829.5 |
910.5 |
219.0 |
181.0 |
120 |
120 |
127.5 |
2xM32x1.5 |
158 |
LA112ZM |
857.5 |
938.5 |
219.0 |
181.0 |
120 |
120 |
231.5 |
2xM32x1.5 |
165 |
LA132S/M |
889.5 |
991.5 |
259.0 |
195.0 |
140 |
140 |
168.0 |
2xM32x1.5 |
169 |
LA132ZM |
935.5 |
1 037.5 |
259.0 |
195.0 |
140 |
140 |
276.0 |
2xM32x1.5 |
191 |
LA160M/L |
994.0 |
1 112.5 |
313.5 |
227.0 |
165 |
165 |
195.5 |
2xM40x1.5 |
204 |
LA160ZL |
1 042.0 |
1 160.5 |
313.5 |
227.0 |
165 |
165 |
348.5 |
2xM40x1.5 |
243 |
LG180M/L |
1 053.5 |
1 175.5 |
348.0 |
322.5 |
260 |
192 |
212.5 |
2xM40x1.5 |
296 |
LG180ZM/ZL |
1 104.5 |
1 226.5 |
348.0 |
322.5 |
260 |
192 |
212.5 |
2xM40x1.5 |
326 |
Монтажное исполнение на фланце (тип A)

| Мотор |
KF108
k |
kB |
AC |
AD |
AG |
LL |
HH |
O |
Вес
KF108 |
LA80 |
732.5 |
796.0 |
156.5 |
155.0 |
90 |
90 |
87.5 |
M20x1.5/M25x1.5 |
146 |
LA80Z |
755.0 |
818.5 |
156.5 |
155.0 |
90 |
90 |
160.5 |
M20x1.5/M25x1.5 |
150 |
LA90S/L |
763.5 |
834.5 |
174.0 |
163.0 |
90 |
90 |
87.5 |
M20x1.5/M25x1.5 |
151 |
LA90ZL |
808.5 |
879.5 |
174.0 |
163.0 |
90 |
90 |
211.5 |
M20x1.5/M25x1.5 |
157 |
LA100L |
807.0 |
888.0 |
195.0 |
168.0 |
120 |
120 |
125.5 |
2xM32x1.5 |
159 |
LA100ZL |
877.0 |
958.0 |
195.0 |
168.0 |
120 |
120 |
257.5 |
2xM32x1.5 |
169 |
LA112M |
833.0 |
914.0 |
219.0 |
181.0 |
120 |
120 |
127.5 |
2xM32x1.5 |
171 |
LA112ZM |
861.0 |
942.0 |
219.0 |
181.0 |
120 |
120 |
231.5 |
2xM32x1.5 |
178 |
LA132S/M |
893.0 |
995.0 |
259.0 |
195.0 |
140 |
140 |
168.0 |
2xM32x1.5 |
183 |
LA132ZM |
939.0 |
1 041.0 |
259.0 |
195.0 |
140 |
140 |
276.0 |
2xM32x1.5 |
204 |
LA160M/L |
997.5 |
1 116.0 |
313.5 |
227.0 |
165 |
165 |
195.5 |
2xM40x1.5 |
217 |
LA160ZL |
1 045.5 |
1 164.0 |
313.5 |
227.0 |
165 |
165 |
348.5 |
2xM40x1.5 |
256 |
LG180M/L |
1 057.0 |
1 179.0 |
348.0 |
322.5 |
260 |
192 |
212.5 |
2xM40x1.5 |
309 |
LG180ZM/ZL |
1 108.0 |
1 230.0 |
348.0 |
322.5 |
260 |
192 |
212.5 |
2xM40x1.5 |
339 |
Монтажное исполнение корпус-фланец (тип C)

| d |
l9 |
M |
t |
u |
60 *) |
64.0 |
M20 |
64.4 |
18 |
70 |
63.5 |
M20 |
74.9 |
20 |
| Мотор |
KA108
k |
kB |
AC |
AD |
AG |
LL |
HH |
O |
Вес
KA108 |
LA80 |
729.0 |
792.5 |
156.5 |
155.0 |
90 |
90 |
87.5 |
M20x1.5/M25x1.5 |
120 |
LA80Z |
751.5 |
815.0 |
156.5 |
155.0 |
90 |
90 |
160.5 |
M20x1.5/M25x1.5 |
124 |
LA90S/L |
760.0 |
831.0 |
174.0 |
163.0 |
90 |
90 |
87.5 |
M20x1.5/M25x1.5 |
125 |
LA90ZL |
805.0 |
876.0 |
174.0 |
163.0 |
90 |
90 |
211.5 |
M20x1.5/M25x1.5 |
131 |
LA100L |
803.5 |
884.5 |
195.0 |
168.0 |
120 |
120 |
125.5 |
2xM32x1.5 |
133 |
LA100ZL |
873.5 |
954.5 |
195.0 |
168.0 |
120 |
120 |
257.5 |
2xM32x1.5 |
143 |
LA112M |
829.5 |
910.5 |
219.0 |
181.0 |
120 |
120 |
127.5 |
2xM32x1.5 |
145 |
LA112ZM |
857.5 |
938.5 |
219.0 |
181.0 |
120 |
120 |
231.5 |
2xM32x1.5 |
152 |
LA132S/M |
889.5 |
991.5 |
259.0 |
195.0 |
140 |
140 |
168.0 |
2xM32x1.5 |
157 |
LA132ZM |
935.5 |
1 037.5 |
259.0 |
195.0 |
140 |
140 |
276.0 |
2xM32x1.5 |
178 |
LA160M/L |
994.0 |
1 112.5 |
313.5 |
227.0 |
165 |
165 |
195.5 |
2xM40x1.5 |
191 |
LA160ZL |
1 042.0 |
1 160.5 |
313.5 |
227.0 |
165 |
165 |
348.5 |
2xM40x1.5 |
230 |
LG180M/L |
1 053.5 |
1 175.5 |
348.0 |
322.5 |
260 |
192 |
212.5 |
2xM40x1.5 |
283 |
LG180ZM/ZL |
1 104.5 |
1 226.5 |
348.0 |
322.5 |
260 |
192 |
212.5 |
2xM40x1.5 |
313 |
|