
Габаритно-присоединительные размеры. Конические мотор-редукторы Yilmaz серии KR202, KR203 |
| |
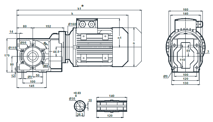
Монтажное исполнение KR202.00, KR203.00

|
63 |
71 |
80 |
90S |
90L |
100L |
112M |
k |
426 |
453 |
487 |
526 |
526 |
574 |
598 |
k1 |
487 |
544 |
580 |
629.5 |
629.5 |
682.5 |
702.5 |
n |
121 |
137 |
155 |
176 |
176 |
193 |
215 |
n1 |
97 |
112 |
121 |
133 |
133 |
147 |
158 |
Монтажное исполнение KR202.01, KR203.01

|
63 |
71 |
80 |
90S |
90L |
100L |
112M |
k |
426 |
453 |
487 |
526 |
526 |
574 |
598 |
k1 |
487 |
544 |
580 |
629.5 |
629.5 |
682.5 |
702.5 |
n |
121 |
137 |
155 |
176 |
176 |
193 |
215 |
n1 |
97 |
112 |
121 |
132 |
132 |
147 |
158 |
Монтажное исполнение на фланце KR202.02, KR203.02

|
63 |
71 |
80 |
90S |
90L |
100L |
112M |
k |
426 |
453 |
487 |
526 |
526 |
574 |
598 |
k1 |
487 |
544 |
580 |
629.5 |
629.5 |
682.5 |
702.5 |
n |
121 |
137 |
155 |
176 |
176 |
193 |
215 |
n1 |
97 |
112 |
121 |
133 |
133 |
147 |
158 |
Монтажное исполнение на фланце KR202.03, KR203.03

|
63 |
71 |
80 |
90S |
90L |
100L |
112M |
k |
426 |
453 |
487 |
526 |
526 |
574 |
598 |
k1 |
487 |
544 |
580 |
629.5 |
629.5 |
682.5 |
702.5 |
n |
121 |
137 |
155 |
176 |
176 |
193 |
215 |
n1 |
97 |
112 |
121 |
132 |
132 |
147 |
158 |
|
| |