
Габаритно-присоединительные размеры. Конические мотор-редукторы Yilmaz серии KR273 |
| |
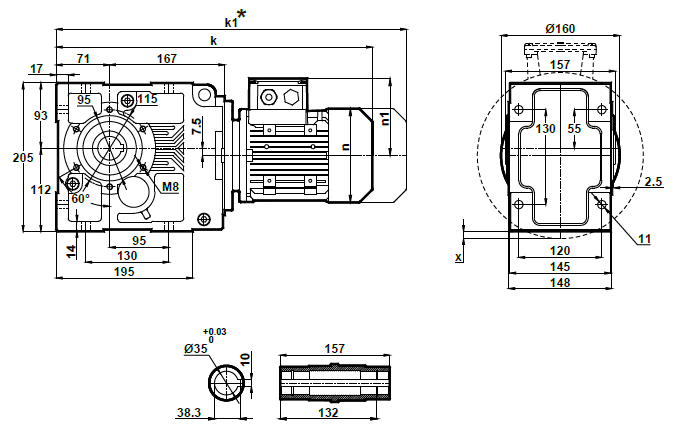
Монтажное исполнение KR273.00

|
63 |
71 |
80 |
90S |
90L |
100L |
112M |
k |
432 |
459 |
493 |
532 |
532 |
580 |
604 |
k1 |
493 |
550 |
586 |
635.5 |
635.5 |
688.5 |
708.5 |
n |
121 |
137 |
155 |
176 |
176 |
193 |
215 |
n1 |
97 |
112 |
121 |
133 |
133 |
147 |
158 |
x |
- |
- |
- |
- |
- |
- |
3 |
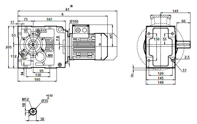
Монтажное исполнение KR273.01

|
63 |
71 |
80 |
90S |
90L |
100L |
112M |
k |
432 |
459 |
493 |
532 |
532 |
580 |
604 |
k1 |
493 |
550 |
586 |
635.5 |
635.5 |
688.5 |
708.5 |
n |
121 |
137 |
155 |
176 |
176 |
193 |
215 |
n1 |
97 |
112 |
121 |
133 |
133 |
147 |
158 |
x |
- |
- |
- |
- |
- |
- |
3 |
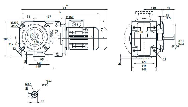
Монтажное исполнение на фланце KR273.02

|
63 |
71 |
80 |
90S |
90L |
100L |
112M |
k |
432 |
459 |
493 |
532 |
532 |
580 |
604 |
k1 |
493 |
550 |
586 |
635.5 |
635.5 |
688.5 |
708.5 |
n |
121 |
137 |
155 |
176 |
176 |
193 |
215 |
n1 |
97 |
112 |
121 |
133 |
133 |
147 |
158 |
x |
- |
- |
- |
- |
- |
- |
3 |
Монтажное исполнение на фланце KR273.03

|
63 |
71 |
80 |
90S |
90L |
100L |
112M |
k |
432 |
459 |
493 |
532 |
532 |
580 |
604 |
k1 |
493 |
550 |
586 |
635.5 |
635.5 |
688.5 |
708.5 |
n |
121 |
137 |
155 |
176 |
176 |
193 |
215 |
n1 |
97 |
112 |
121 |
133 |
133 |
147 |
158 |
x |
- |
- |
- |
- |
- |
- |
3 |
|
| |