
Габаритно-присоединительные размеры. Конические мотор-редукторы Yilmaz серии KR373 |
| |
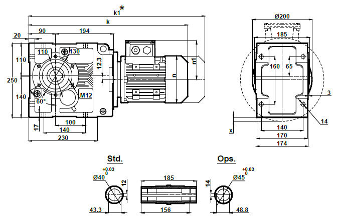
Монтажное исполнение KR373.00

|
71 |
80 |
90S |
90L |
100L |
112M |
132S |
132M |
k |
496 |
530 |
569 |
569 |
617 |
641 |
727.5 |
727.5 |
k1 |
587 |
623 |
672.5 |
672.5 |
725.5 |
745.5 |
857.5 |
857.5 |
n |
137 |
155 |
176 |
176 |
193 |
215 |
257 |
257 |
n1 |
112 |
121 |
133 |
133 |
147 |
158 |
179 |
179 |
x |
- |
- |
- |
- |
- |
- |
0.8 |
0.8 |
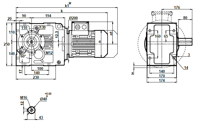
Монтажное исполнение KR373.01

|
71 |
80 |
90S |
90L |
100L |
112M |
132S |
132M |
k |
496 |
530 |
569 |
569 |
617 |
641 |
727.5 |
727.5 |
k1 |
587 |
623 |
672.5 |
672.5 |
725.5 |
745.5 |
857.5 |
857.5 |
n |
137 |
155 |
176 |
176 |
193 |
215 |
257 |
257 |
n1 |
112 |
121 |
133 |
133 |
147 |
158 |
179 |
179 |
x |
- |
- |
- |
- |
- |
- |
0.8 |
0.8 |
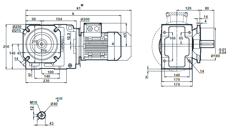
Монтажное исполнение на фланце KR373.02

|
71 |
80 |
90S |
90L |
100L |
112M |
132S |
132M |
k |
496 |
530 |
569 |
569 |
617 |
641 |
727.5 |
727.5 |
k1 |
587 |
623 |
672.5 |
672.5 |
725.5 |
745.5 |
857.5 |
857.5 |
n |
137 |
155 |
176 |
176 |
193 |
215 |
257 |
257 |
n1 |
112 |
121 |
133 |
133 |
147 |
158 |
179 |
179 |
x |
- |
- |
- |
- |
- |
- |
0.8 |
0.8 |
Монтажное исполнение на фланце KR373.03

|
71 |
80 |
90S |
90L |
100L |
112M |
132S |
132M |
k |
496 |
530 |
569 |
569 |
617 |
641 |
727.5 |
727.5 |
k1 |
587 |
623 |
672.5 |
672.5 |
725.5 |
745.5 |
857.5 |
857.5 |
n |
137 |
155 |
176 |
176 |
193 |
215 |
257 |
257 |
n1 |
112 |
121 |
133 |
133 |
147 |
158 |
179 |
179 |
x |
- |
- |
- |
- |
- |
- |
0.8 |
0.8 |
|
| |