
Габаритно-присоединительные размеры. Конические мотор-редукторы Yilmaz серии KR573 |
| |
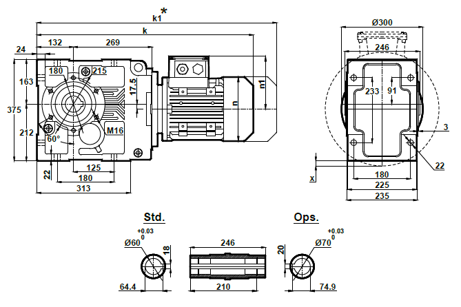
Монтажное исполнение KR573.00

|
100L |
112M |
132S |
132M |
160M |
160L |
180M |
180L |
k |
719 |
743 |
829.5 |
829.5 |
925.5 |
925.5 |
997.5 |
997.5 |
k1 |
827.5 |
847.5 |
959.5 |
959.5 |
1073.5 |
1073.5 |
1156 |
1156 |
n |
193 |
215 |
257 |
257 |
316 |
316 |
354 |
354 |
n1 |
147 |
158 |
179 |
179 |
224 |
224 |
240 |
240 |
x |
- |
- |
- |
- |
- |
- |
- |
- |
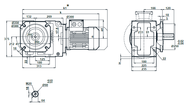
Монтажное исполнение KR573.01

|
100L |
112M |
132S |
132M |
160M |
160L |
180M |
180L |
k |
719 |
743 |
829.5 |
829.5 |
925.5 |
925.5 |
997.5 |
997.5 |
k1 |
827.5 |
847.5 |
959.5 |
959.5 |
1073.5 |
1073.5 |
1156 |
1156 |
n |
193 |
215 |
257 |
257 |
316 |
316 |
354 |
354 |
n1 |
147 |
158 |
179 |
179 |
224 |
224 |
240 |
240 |
x |
- |
- |
- |
- |
- |
- |
- |
- |
Монтажное исполнение на фланце KR573.02

|
100L |
112M |
132S |
132M |
160M |
160L |
180M |
180L |
k |
719 |
743 |
829.5 |
829.5 |
925.5 |
925.5 |
997.5 |
997.5 |
k1 |
827.5 |
847.5 |
959.5 |
959.5 |
1073.5 |
1073.5 |
1156 |
1156 |
n |
193 |
215 |
257 |
257 |
316 |
316 |
354 |
354 |
n1 |
147 |
158 |
179 |
179 |
224 |
224 |
240 |
240 |
x |
- |
- |
- |
- |
- |
- |
- |
- |
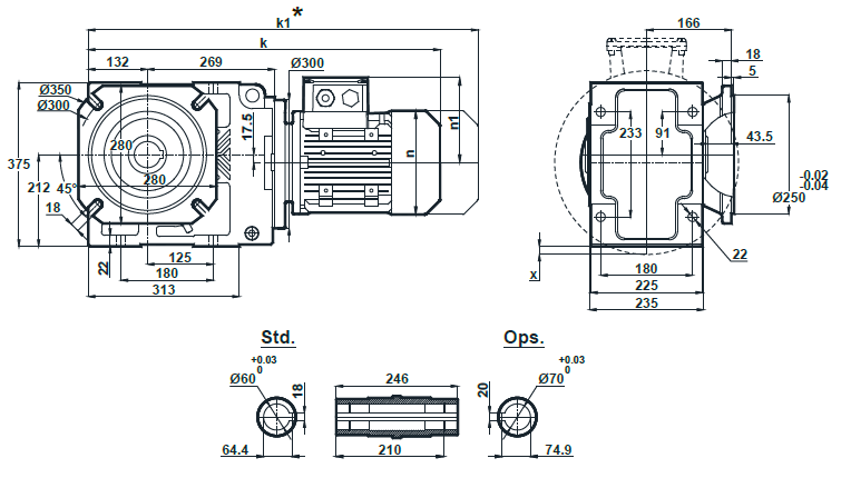
Монтажное исполнение на фланце KR573.03

|
100L |
112M |
132S |
132M |
160M |
160L |
180M |
180L |
k |
719 |
743 |
829.5 |
829.5 |
925.5 |
925.5 |
997.5 |
997.5 |
k1 |
827.5 |
847.5 |
959.5 |
959.5 |
1073.5 |
1073.5 |
1156 |
1156 |
n |
193 |
215 |
257 |
257 |
316 |
316 |
354 |
354 |
n1 |
147 |
158 |
179 |
179 |
224 |
224 |
240 |
240 |
x |
- |
- |
- |
- |
- |
- |
- |
- |
|
| |