
Габаритно-присоединительные размеры. Конические мотор-редукторы Yilmaz серии KR773 |
| |
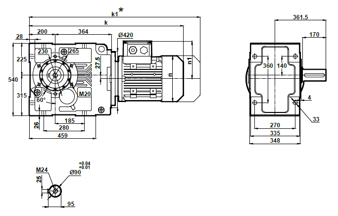
Монтажное исполнение KR773.00

|
132S |
132M |
160M |
160L |
180M |
180L |
200L |
225S |
225M |
250M |
k |
980.5 |
980.5 |
1076.5 |
1076.5 |
1148.5 |
1148.5 |
1194.5 |
1221.5 |
1246.5 |
1338.5 |
k1 |
1110.5 |
1110.5 |
1224.5 |
1224.5 |
1307 |
1307 |
1381 |
1386.5 |
1411.5 |
1509 |
n |
257 |
257 |
316 |
316 |
354 |
354 |
399 |
438 |
438 |
481 |
n1 |
179 |
179 |
224 |
224 |
240 |
240 |
285 |
314 |
314 |
335 |
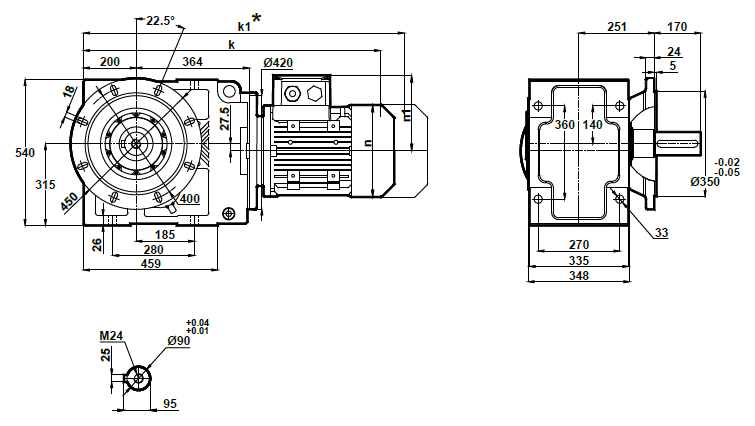
Монтажное исполнение KR773.01

|
132S |
132M |
160M |
160L |
180M |
180L |
200L |
225S |
225M |
250M |
k |
980.5 |
980.5 |
1076.5 |
1076.5 |
1148.5 |
1148.5 |
1194.5 |
1221.5 |
1246.5 |
1338.5 |
k1 |
1110.5 |
1110.5 |
1224.5 |
1224.5 |
1307 |
1307 |
1381 |
1386.5 |
1411.5 |
1509 |
n |
257 |
257 |
316 |
316 |
354 |
354 |
399 |
438 |
438 |
481 |
n1 |
179 |
179 |
224 |
224 |
240 |
240 |
285 |
314 |
314 |
335 |
Монтажное исполнение на фланце KR773.02

|
132S |
132M |
160M |
160L |
180M |
180L |
200L |
225S |
225M |
250M |
k |
980.5 |
980.5 |
1076.5 |
1076.5 |
1148.5 |
1148.5 |
1194.5 |
1221.5 |
1246.5 |
1338.5 |
k1 |
1110.5 |
1110.5 |
1224.5 |
1224.5 |
1307 |
1307 |
1381 |
1386.5 |
1411.5 |
1509 |
n |
257 |
257 |
316 |
316 |
354 |
354 |
399 |
438 |
438 |
481 |
n1 |
179 |
179 |
224 |
224 |
240 |
240 |
285 |
314 |
314 |
335 |
Монтажное исполнение на фланце KR773.03

|
132S |
132M |
160M |
160L |
180M |
180L |
200L |
225S |
225M |
250M |
k |
980.5 |
980.5 |
1076.5 |
1076.5 |
1148.5 |
1148.5 |
1194.5 |
1221.5 |
1246.5 |
1338.5 |
k1 |
1110.5 |
1110.5 |
1224.5 |
1224.5 |
1307 |
1307 |
1381 |
1386.5 |
1411.5 |
1509 |
n |
257 |
257 |
316 |
316 |
354 |
354 |
399 |
438 |
438 |
481 |
n1 |
179 |
179 |
224 |
224 |
240 |
240 |
285 |
314 |
314 |
335 |
|
| |