
Габаритно-присоединительные размеры. Конические мотор-редукторы Yilmaz серии KR873 |
| |
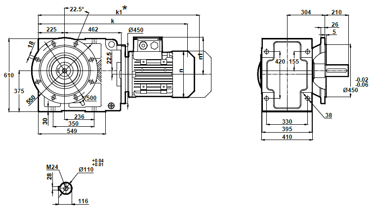
Монтажное исполнение KR873.00

|
160M |
160L |
180M |
180L |
200L |
225S |
225M |
250M |
280S |
280M |
k |
1187.5 |
1187.5 |
1259.5 |
1259.5 |
1305.5 |
1335 |
1360 |
1450.5 |
1512.5 |
1512.5 |
k1 |
1335.5 |
1335.5 |
1418 |
1418 |
1492 |
1500 |
1525 |
1621 |
1685.5 |
1691.5 |
n |
316 |
316 |
354 |
354 |
399 |
438 |
438 |
481 |
544 |
544 |
n1 |
224 |
224 |
240 |
240 |
285 |
314 |
314 |
335 |
350 |
350 |
Монтажное исполнение KR873.01

|
160M |
160L |
180M |
180L |
200L |
225S |
225M |
250M |
280S |
280M |
k |
1187.5 |
1187.5 |
1259.5 |
1259.5 |
1305.5 |
1335 |
1360 |
1450.5 |
1512.5 |
1512.5 |
k1 |
1335.5 |
1335.5 |
1418 |
1418 |
1492 |
1500 |
1525 |
1621 |
1685.5 |
1691.5 |
n |
316 |
316 |
354 |
354 |
399 |
438 |
438 |
481 |
544 |
544 |
n1 |
224 |
224 |
240 |
240 |
285 |
314 |
314 |
335 |
350 |
350 |
Монтажное исполнение на фланце KR873.02

|
160M |
160L |
180M |
180L |
200L |
225S |
225M |
250M |
280S |
280M |
k |
1187.5 |
1187.5 |
1259.5 |
1259.5 |
1305.5 |
1335 |
1360 |
1450.5 |
1512.5 |
1512.5 |
k1 |
1335.5 |
1335.5 |
1418 |
1418 |
1492 |
1500 |
1525 |
1621 |
1685.5 |
1691.5 |
n |
316 |
316 |
354 |
354 |
399 |
438 |
438 |
481 |
544 |
544 |
n1 |
224 |
224 |
240 |
240 |
285 |
314 |
314 |
335 |
350 |
350 |
Монтажное исполнение на фланце KR873.03

|
160M |
160L |
180M |
180L |
200L |
225S |
225M |
250M |
280S |
280M |
k |
1187.5 |
1187.5 |
1259.5 |
1259.5 |
1305.5 |
1335 |
1360 |
1450.5 |
1512.5 |
1512.5 |
k1 |
1335.5 |
1335.5 |
1418 |
1418 |
1492 |
1500 |
1525 |
1621 |
1685.5 |
1691.5 |
n |
316 |
316 |
354 |
354 |
399 |
438 |
438 |
481 |
544 |
544 |
n1 |
224 |
224 |
240 |
240 |
285 |
314 |
314 |
335 |
350 |
350 |
|
| |