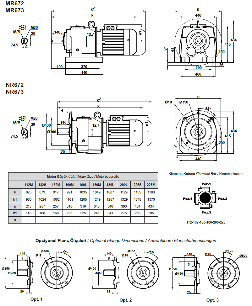
Габаритные и присоединительные размеры MR672, MR673 (MRF672, MRF673)
Назад
Назад
© 2014 Редукторы, мотор-редукторы, устройства плавного пуска, преобразователи частоты