
Габаритные и присоединительные размеры NORD мотор-редукторы SK 9042.1, SK 9042.1AX, SK 9042.1AF, SK 9042.1VF, SK 9042.1AFB(AXB), SK 9042.1AZ, SK 9042.1AZEA, SK 9042.1AZB, SK 9042.1AZSH, SK 9042.1 AZD, SK 9042.1 AZK |
| |
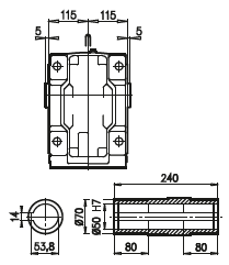
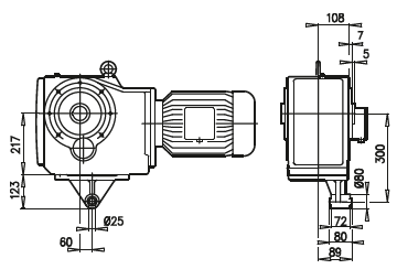
| SK 9042.1 |
SK 9042.1AX |
 |
 |
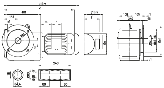
| SK 9042.1AF |
SK 9042.1VF |
 |
 |
a1 |
b1 |
c1 |
e1 |
f1 |
s1 |
350 |
250 |
20 |
300 |
5 |
4 x 18 |
A45 |
90 S/L |
100 L |
112 M |
132 S/M |
160 M/L |
g |
183 |
201 |
228 |
266 |
320 |
g1 / g1Bre |
147 / 147 |
169 / 172 |
179 / 182 |
204 / 201 |
242 / 242 |
k1 / k1Bre |
677 / 752 |
707 / 798 |
730 / 823 |
816 / 923 |
893 / 1072 |
k / kBre |
655 / 730 |
685 / 776 |
708 / 801 |
794 / 901 |
871 / 1050 |
m / mBre |
26 / 30 |
32 / 36 |
48 / 52 |
51 / 44 |
52 / 52 |
n / nBre |
114 / 153 |
114 / 153 |
114 / 153 |
122 / 185 |
186 / 186 |
p / pBre |
114 / 108 |
114 / 108 |
114 / 108 |
122 / 139 |
186 / 186 |
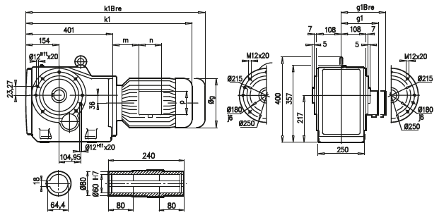
| SK 9042.1AZ |
 |
| SK 9042.1 AZD |
SK 9042.1 AZK |
 |
 |
A45 |
90 S/L |
100 L |
112 M |
132 S/M |
160 M/L |
g |
183 |
201 |
228 |
266 |
320 |
g1 / g1Bre |
147 / 147 |
169 / 172 |
179 / 182 |
204 / 201 |
242 / 242 |
k1 / k1Bre |
677 / 752 |
707 / 798 |
730 / 823 |
816 / 923 |
893 / 1072 |
m / mBre |
26 / 30 |
32 / 36 |
48 / 52 |
51 / 44 |
52 / 52 |
n / nBre |
114 / 153 |
114 / 153 |
114 / 153 |
122 / 185 |
186 / 186 |
p / pBre |
114 / 108 |
114 / 108 |
114 / 108 |
122 / 139 |
186 / 186 |
|
| |