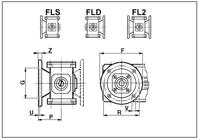
Размеры выходного фланца

 

Назад

 
T
71B
80B
90C
112B
100C
140B
125C
180B
160C
F
160
200
250
300
350
G
110
130
180
230
250
R
130
165
215
265
300
P
87
100
125
150
180
U
4
4.5
5
5
6
V
9
11
13
15
17
Z
10
12
16
20
25
Kg
2
3.2
5
8
12.5

Назад

 
© 2014 Редукторы, мотор-редукторы, устройства плавного пуска, преобразователи частоты