
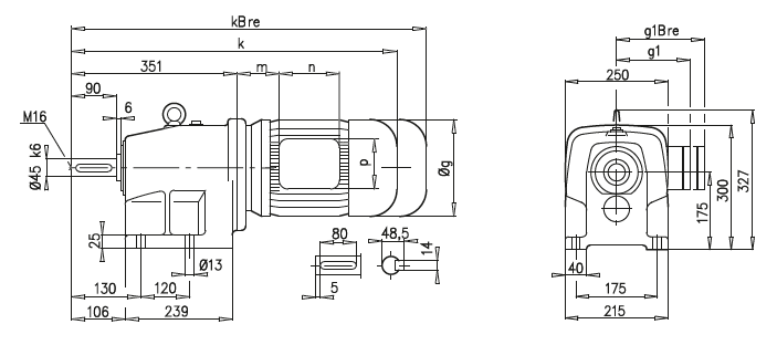
Габаритные и присоединительные размеры NORD мотор-редукторы SK 42, SK 42F |
| |
SK 42

SK 42F

a1 |
b1 |
c1 |
e1 |
f1 |
s1 |
200 |
130 |
14 |
165 |
3,5 |
11 |
250 |
180 |
16 |
215 |
4,0 |
14 |
A45 |
90 S/L |
100 L |
112 M |
132 S/M |
160 M/L |
g |
183 |
201 |
228 |
266 |
320 |
g1 / g1Bre |
147 / 147 |
169 / 172 |
179 / 182 |
204 / 201 |
242 / 242 |
k / kBre |
627 / 702 |
657 / 748 |
680 / 773 |
766 / 873 |
843 / 1022 |
m / mBre |
26 / 30 |
32 / 36 |
48 / 52 |
51 / 44 |
52 / 52 |
n / nBre |
114 / 153 |
114 / 153 |
114 / 153 |
122 / 185 |
186 / 186 |
p / pBre |
114 / 108 |
114 / 108 |
114 / 108 |
122 / 139 |
186 / 186 |
|
| |