
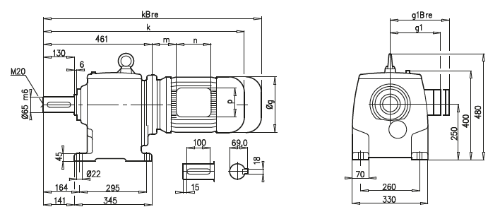
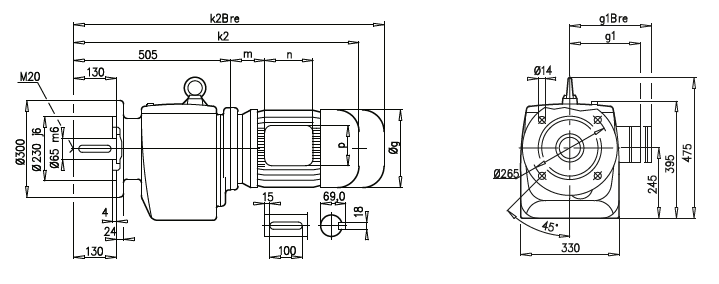
Габаритные и присоединительные размеры NORD мотор-редукторы SK 63, SK 63F |
| |
SK 63

SK 63F

A45 |
90 S/L |
100 L |
112 M |
132 S/M |
160 M/L |
180 MX/LX |
g |
183 |
201 |
228 |
266 |
320 |
358 |
g1 / g1Bre |
147 / 147 |
169 / 172 |
179 / 182 |
204 / 201 |
242 / 242 |
259 / 259 |
k / kBre |
737 / 812 |
767 / 858 |
790 / 883 |
876 / 983 |
953 / 1132 |
1083 / 1188 |
k2 / k2Bre |
781 / 856 |
811 / 902 |
834 / 927 |
920 / 1027 |
997 / 1176 |
1127 / 1232 |
m / mBre |
26 / 30 |
32 / 36 |
48 / 52 |
51 / 44 |
52 / 52 |
93 / 78 |
n / nBre |
114 / 153 |
114 / 153 |
114 / 153 |
122 / 185 |
186 / 186 |
132 / 162 |
p / pBre |
114 / 108 |
114 / 108 |
114 / 108 |
122 / 139 |
186 / 186 |
152 / 162 |
|
| |