
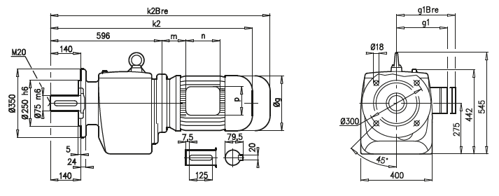
Габаритные и присоединительные размеры NORD мотор-редукторы SK 73, SK 73F |
| |
SK 73

SK 73F

A45 |
100 L |
112 M |
132 S/M |
160 M/L |
180 MX/LX |
200 L |
225 S/M |
g |
201 |
228 |
266 |
320 |
358 |
398 |
398 |
g1 / g1Bre |
169 / 172 |
179 / 182 |
204 / 201 |
242 / 242 |
259 / 259 |
306 / 306 |
306 / 306 |
k / kBre |
837 / 928 |
857 / 950 |
966 / 1073 |
1023 / 1202 |
1133 / 1238 |
1218 / 1385 |
1218 / 1385 |
k2 / k2Bre |
902 / 993 |
922 / 1015 |
1031 / 1138 |
1088 / 1267 |
1198 / 1303 |
1283 / 1450 |
1283 / 1450 |
m / mBre |
32 / 36 |
45 / 49 |
71 / 64 |
52 / 52 |
93 / 78 |
110 / 110 |
110 / 110 |
n / nBre |
114 / 153 |
114 / 153 |
122 / 185 |
186 / 186 |
132 / 162 |
192 / 192 |
192 / 192 |
p / pBre |
114 / 108 |
114 / 108 |
122 / 139 |
186 / 186 |
152 / 162 |
260 / 260 |
260 / 260 |
|
| |