
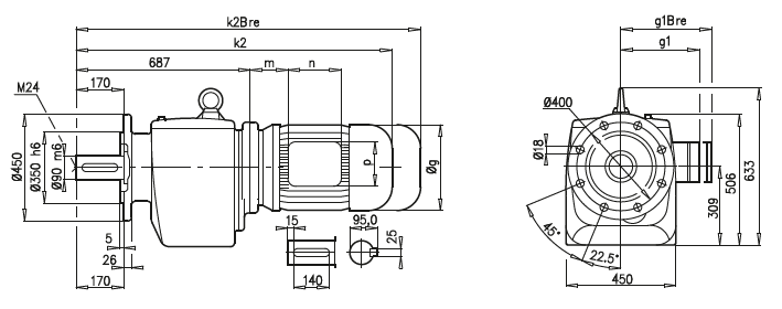
Габаритные и присоединительные размеры NORD мотор-редукторы SK 83, SK 83F |
| |
SK 83

SK 83F

A45 |
100 L |
112 M |
132 S/M |
160 M/L |
180 MX/LX |
200 L |
225 S/M |
g |
201 |
228 |
266 |
320 |
358 |
398 |
398 |
g1 / g1Bre |
169 / 172 |
179 / 182 |
204 / 201 |
242 / 242 |
259 / 259 |
306 / 306 |
306 / 306 |
k / kBre |
917 / 1008 |
937 / 1030 |
1046 / 1153 |
1103 / 1282 |
1213 / 1318 |
1298 / 1465 |
1298 / 1465 |
k2 / k2Bre |
993 / 1084 |
1013 / 1106 |
1122 / 1229 |
1179 / 1358 |
1289 / 1394 |
1374 / 1541 |
1374 / 1541 |
m / mBre |
32 / 36 |
45 / 49 |
71 / 64 |
52 / 52 |
93 / 78 |
110 / 110 |
110 / 110 |
n / nBre |
114 / 153 |
114 / 153 |
122 / 185 |
186 / 186 |
132 / 162 |
192 / 192 |
192 / 192 |
p / pBre |
114 / 108 |
114 / 108 |
122 / 139 |
186 / 186 |
152 / 162 |
260 / 260 |
260 / 260 |
|
| |