Компактный червячный мотор-редуктор CM050 производства TRANSTECNO

 

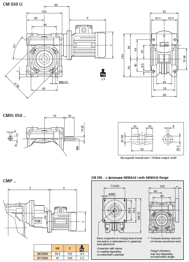
Мотор-редуктор CM050 имеет червячный тип и может понижать скорость вращения электродвигателя. Редуктор постовляется из Италии фирмой TRANSTECNO. Большой моштаб производства позволяет держать низкую цену и высокое качество. Выходной вал полый диаметром 25 мм.

Назад

Компактный червячный мотор-редуктор CM050 производства TRANSTECNO

Назад

 
© 2014 Редукторы, мотор-редукторы, устройства плавного пуска, преобразователи частоты