Червячный мотор-редуктор EV030 (EN030)

 

Назад

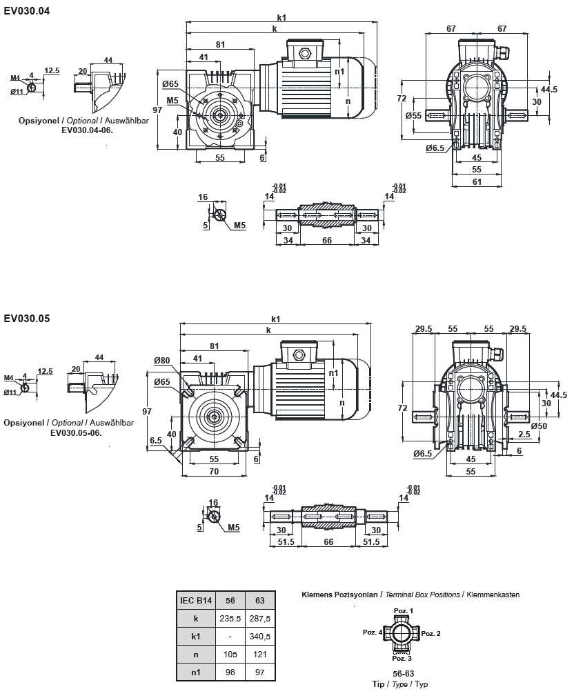
Недорогой и качественный аналог - это червячный мотор-редуктор NMRV 030

Назад

 
© 2014 Редукторы, мотор-редукторы, устройства плавного пуска, преобразователи частоты