Червячный мотор-редуктор EV063 (EN063)

 

Назад

Червячный мотор-редуктор EV063 (EN063)

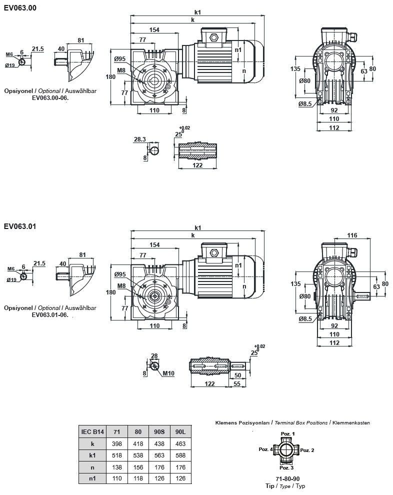
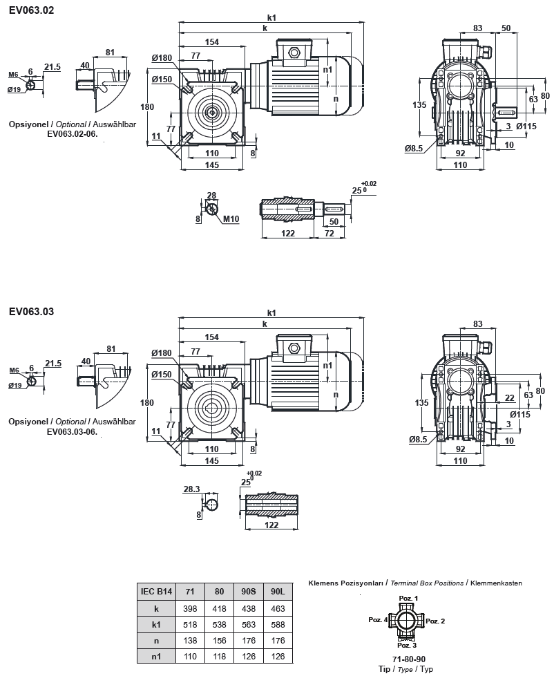
Технические параметры и и подробные характеристики мотор-редукторов NMRV 063 можно найти тут

Назад

 
© 2014 Редукторы, мотор-редукторы, устройства плавного пуска, преобразователи частоты