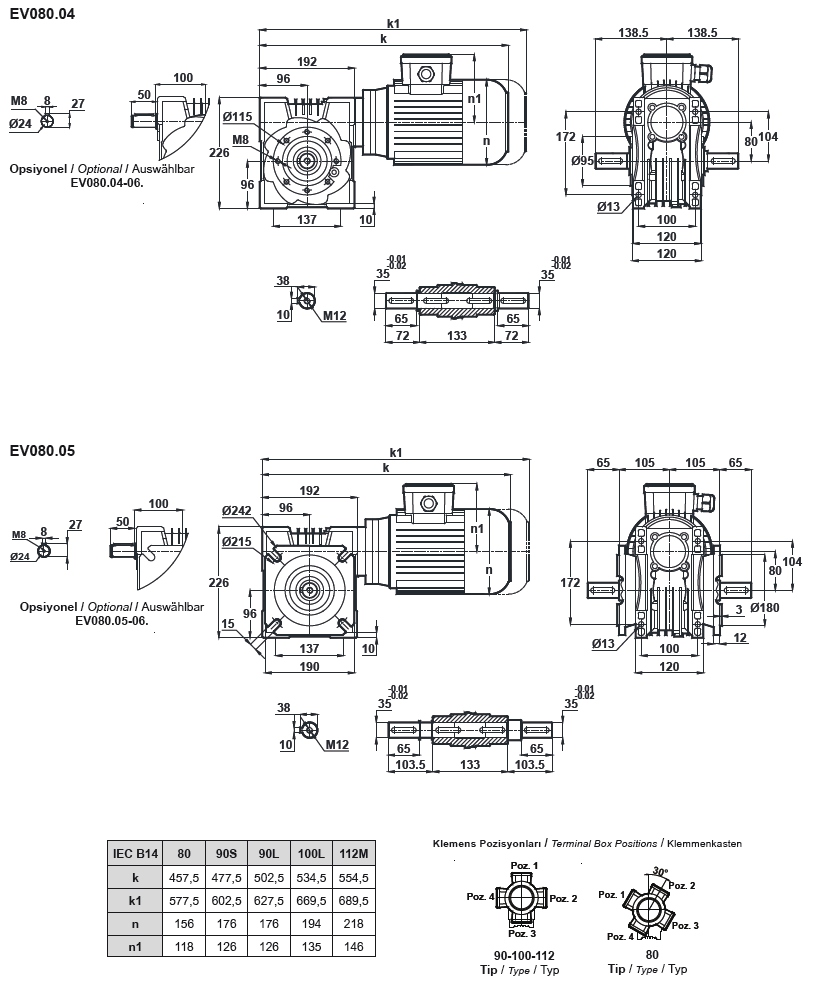
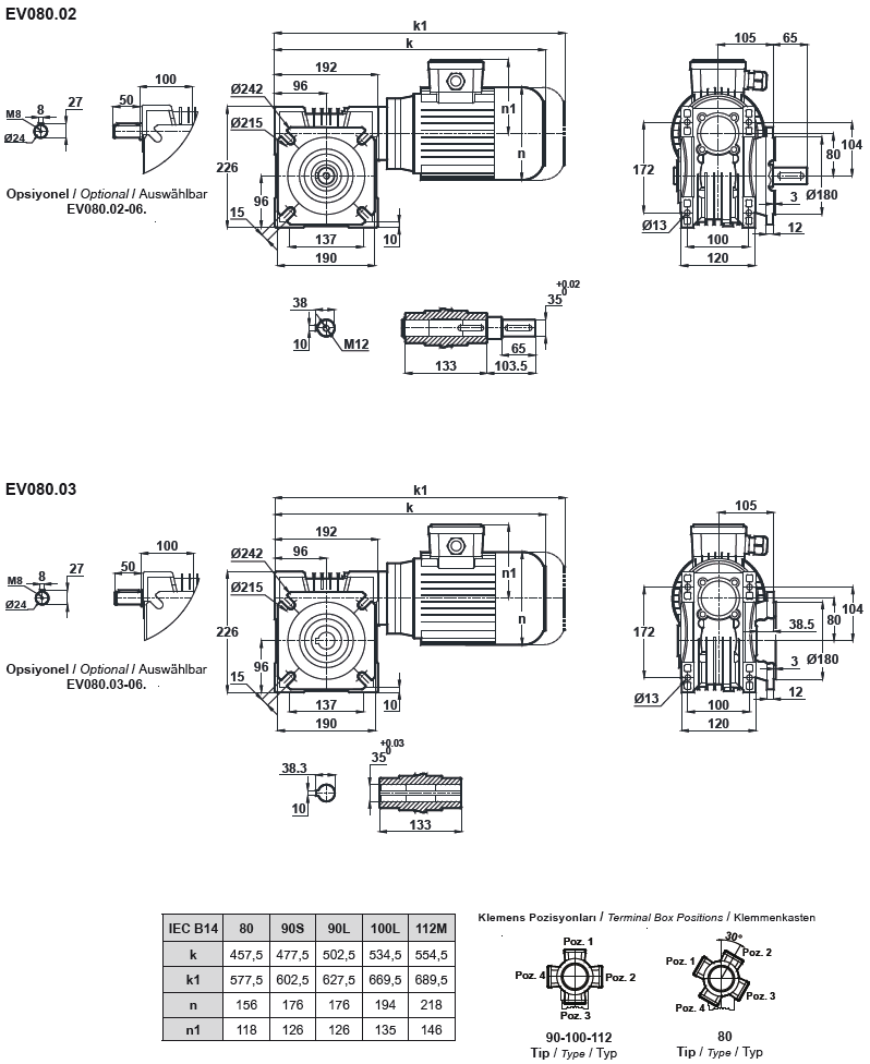
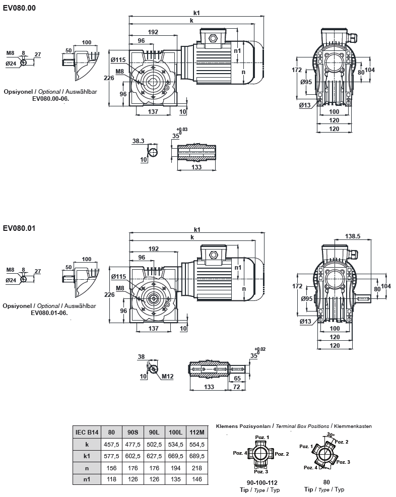
Червячный мотор-редуктор EV080 (EN080)
Назад
Тут
вы можете выбрать недорогой и качественный аналог - червячный мотор-редуктор NMRV 090
Назад
© 2014 Редукторы, мотор-редукторы, устройства плавного пуска, преобразователи частоты