Червячный мотор-редуктор EV100 (EN100)
Назад
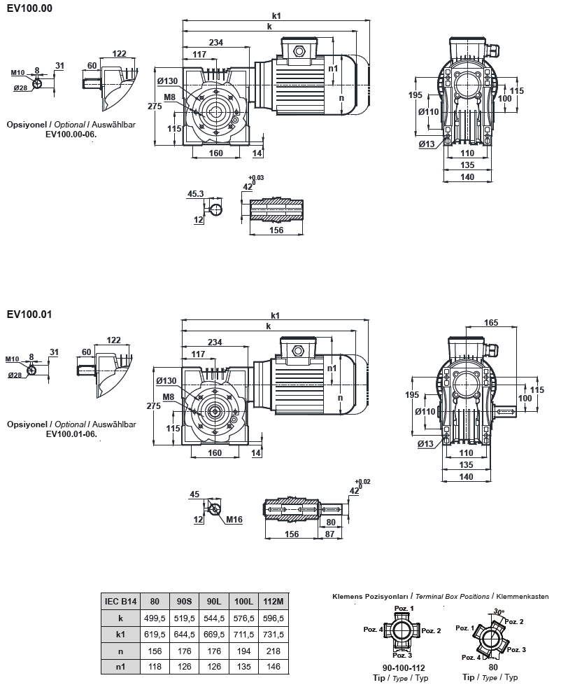
Червячные мотор-редукторы
NMRV 110
могут применяться в грузоподъемном оборудовании.
Назад
© 2014 Редукторы, мотор-редукторы, устройства плавного пуска, преобразователи частоты