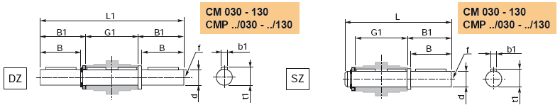
Одно- и двухсторонний выходной вал

 

Выходной вал имеет цилиндрическую форму и поновляется в качестве опции. Валы могут быть одно- и двухсторонними.

Назад

Одно- и двухсторонний выходной вал на редуктор CM

SZ – односторонний выходной вал
DZ – двухсторонний выходной вал

 

CM
CMP
d
h7
B
B1
G1
L
L1
f
b1
t1
030
056/030
14
30
32.5
63
102
128
M6
5
16
040
056/040
063/040
18
40
43
78
128
164
M6
6
20.5
050
063/050
071/050
25
50
53.5
92
153
199
M10
8
28
063
063/063
071/063
080/063
25
50
53.5
112
173
219
M10
8
28
075
071/075
080/075
090/075
28
60
63.5
120
192
247
M10
8
31
090
071/090
080/090
090/090
35
80
84.5
140
234
309
M12
10
38
110
080/110
090/110
42
80
84.5
155
249
324
M16
12
45
130
080/130
090/130
45
80
85
170
265
340
M16
14
48.5

 

Назад

 
© 2014 Редукторы, мотор-редукторы, устройства плавного пуска, преобразователи частоты