|

Червячные двухступенчатые мотор-редукторы. Серия MRT-RT: характеристики, устройство, принцип работы, стоимость. |
|
Назначение: двухступенчатые червячные мотор-редукторы MRT-RT собираются на базе редукторов MRT (TOS ZNOJMO). Универсальный корпус позволяет осуществить монтаж мотор-редуктора в любом положении. Область применения данных изделий устройства, требующие низкую скорость и высокий крутящий момент. Редукторы комплектуются дополнительными опциями: (выходные фланцы, одно и двухсторонние выходные валы, реактивные штанги). |
|
Выходные обороты и мощность электродвигателей (кВт)
Конструктивные особенности
- Типоразмер RT/MRT 030, RT/MRT 040, RT/MRT 050, RT/MRT 060, RT/MRT 070, RT/MRT080 - изготавливается из алюминиевого сплава, литого под давлением;
- Типоразмер RT/MRT 100, RT/MRT120, RT/MRT150, RT/MRT180- изготавливается из серого чугуна с механической обработкой.
Технические данные
- Модель MRT x RT: двухступенчатый мотор-редуктор, используемая для достижения больших передаточных отношений.
Замечания по условиям применения
- Не допускается использование редуктора в качестве мультипликатор (повышающего угловую скорость выходного вал);
- Не допускается использование редуктора при высоких моментах инерции выходной нагрузки;
- Не рекомендуется использовать редуктор в качестве привода подъемных механизмов;
- Высокая динамическая нагрузка может снизить срок службы редуктора;
- При использовании редуктора при температуре ниже -30°C или выше 40°C следует использовать масло соответствующее нужной температуре;
- Запрещено использовать редуктор в агрессивных химических средах;
- Максимальный крутящий момент не должен превышать номинальное значение указанное в технических характеристиках более чем в два раза;
- Срок службы редуктора зависит от сервис фактора (SF), и составляет 8700 часов при условии (f.s.≥1).


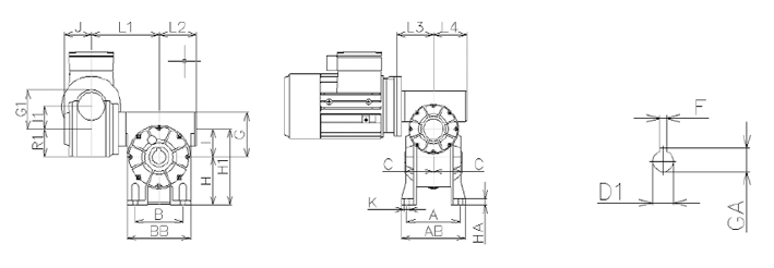
Габаритные и присоединительные размеры
Исполнение AAL-AAR

ТИП |
А |
АВ |
В |
ВВ |
D1H7 |
F |
GA |
G |
G1 |
H |
H1 |
HA |
I |
I1 |
J |
K |
L1 |
L2 |
L3 |
L4 |
MRT 30*40 |
84 |
100 |
70 |
96 |
19 |
6 |
21.8 |
70 |
51 |
71 |
111 |
8 |
40 |
30 |
31.5 |
7 |
103 |
57 |
55 |
46 |
MRT 30*50 |
96 |
114 |
85 |
112 |
24 |
8 |
27,3 |
84 |
51 |
85 |
135 |
10 |
50 |
30 |
31,5 |
9 |
113 |
65 |
55 |
46 |
MRT 50*80 |
147 |
180 |
140 |
180 |
35 |
10 |
38,3 |
128 |
84 |
142 |
222 |
13 |
80 |
50 |
49 |
11 |
164,5 |
95 |
75 |
65 |
Исполнение BAL-BAR

ТИП |
А |
АВ |
В |
ВВ |
D1H7 |
F |
GA |
G |
G1 |
H |
H1 |
HA |
I |
I1 |
J |
K |
L1 |
L2 |
L3 |
L4 |
MRT 30*40 |
84 |
100 |
70 |
96 |
19 |
6 |
21.8 |
70 |
51 |
71 |
111 |
8 |
40 |
30 |
31.5 |
7 |
103 |
57 |
55 |
46 |
MRT 30*50 |
96 |
114 |
85 |
112 |
24 |
8 |
27,3 |
84 |
51 |
85 |
135 |
10 |
50 |
30 |
31,5 |
9 |
113 |
65 |
55 |
46 |
MRT 50*80 |
147 |
180 |
140 |
180 |
35 |
10 |
38,3 |
128 |
84 |
142 |
222 |
13 |
80 |
50 |
49 |
11 |
164,5 |
95 |
75 |
65 |
Исполнение VAL-VAR

ТИП |
А |
АВ |
В |
ВВ |
D1H7 |
F |
GA |
G |
G1 |
H |
H1 |
HA |
I |
I1 |
J |
K |
L1 |
L2 |
L3 |
L4 |
MRT 30*40 |
84 |
100 |
70 |
96 |
19 |
6 |
21.8 |
70 |
51 |
71 |
111 |
8 |
40 |
30 |
31.5 |
7 |
103 |
57 |
55 |
46 |
MRT 30*50 |
96 |
114 |
85 |
112 |
24 |
8 |
27,3 |
84 |
51 |
85 |
135 |
10 |
50 |
30 |
31,5 |
9 |
113 |
65 |
55 |
46 |
MRT 50*80 |
147 |
180 |
140 |
180 |
35 |
10 |
38,3 |
128 |
84 |
142 |
222 |
13 |
80 |
50 |
49 |
11 |
164,5 |
95 |
75 |
65 |
Односторонний выходной вал

тип
MRT / RT |
A |
A1 |
C |
Dh7 |
D1 |
L |
L1 |
L2 |
F |
M1 |
M2 |
kg |
со стандартом DIN 332 |
I |
II |
28 |
56 |
89 |
1 |
14 |
17 |
30 |
120 |
87 |
5 |
M5 |
M5 |
0,1 |
0,15 |
40 |
80 |
132 |
10 |
19 |
23 |
40 |
182 |
130 |
6 |
M6 |
M6 |
0,3 |
0,4 |
50 |
97 |
158 |
10 |
24 |
28 |
50 |
218 |
157 |
8 |
M8 |
M8 |
0,55 |
0,75 |
60 |
118 |
185 |
5 |
25 |
30 |
60 |
250 |
183 |
8 |
M10 |
M8 |
0,7 |
0,9 |
70 |
120 |
191 |
10 |
28 |
35 |
60 |
261 |
190 |
8 |
M10 |
M8 |
0,9 |
1,25 |
80 |
138 |
205 |
5 |
35 |
40 |
60 |
270 |
203 |
10 |
M12 |
M8 |
1,5 |
2 |
100 |
150 |
234 |
10 |
40 |
46 |
80 |
324 |
240 |
12 |
M16 |
M12 |
2,4 |
3,2 |
120 |
170 |
264 |
10 |
45 |
51 |
90 |
364 |
270 |
14 |
M16 |
M12 |
3,4 |
4,6 |
150 |
218 |
323 |
10 |
55 |
62 |
100 |
433 |
328 |
16 |
M20 |
M16 |
6,1 |
8,1 |
180 |
262 |
377 |
10 |
60 |
68 |
110 |
497 |
382 |
18 |
M20 |
M16 |
4,8 |
11 |
Двусторонний выходной вал

тип
MRT / RT |
A |
A1 |
C |
Dh7 |
D1 |
L |
L1 |
L2 |
F |
M1 |
M2 |
kg |
со стандартом DIN 332 |
I |
II |
28 |
56 |
89 |
1 |
14 |
17 |
30 |
120 |
87 |
5 |
M5 |
M5 |
0,1 |
0,15 |
40 |
80 |
132 |
10 |
19 |
23 |
40 |
182 |
130 |
6 |
M6 |
M6 |
0,3 |
0,4 |
50 |
97 |
158 |
10 |
24 |
28 |
50 |
218 |
157 |
8 |
M8 |
M8 |
0,55 |
0,75 |
60 |
118 |
185 |
5 |
25 |
30 |
60 |
250 |
183 |
8 |
M10 |
M8 |
0,7 |
0,9 |
70 |
120 |
191 |
10 |
28 |
35 |
60 |
261 |
190 |
8 |
M10 |
M8 |
0,9 |
1,25 |
80 |
138 |
205 |
5 |
35 |
40 |
60 |
270 |
203 |
10 |
M12 |
M8 |
1,5 |
2 |
100 |
150 |
234 |
10 |
40 |
46 |
80 |
324 |
240 |
12 |
M16 |
M12 |
2,4 |
3,2 |
120 |
170 |
264 |
10 |
45 |
51 |
90 |
364 |
270 |
14 |
M16 |
M12 |
3,4 |
4,6 |
150 |
218 |
323 |
10 |
55 |
62 |
100 |
433 |
328 |
16 |
M20 |
M16 |
6,1 |
8,1 |
180 |
262 |
377 |
10 |
60 |
68 |
110 |
497 |
382 |
18 |
M20 |
M16 |
4,8 |
11 |
Варианты исполнения

Выходные обороты и мощность электродвигателей (кВт)
|
| |
|
| ©
2014 Редукторы, мотор-редукторы, устройства плавного пуска, преобразователи частоты |
|
|